| Обозначение: |  ГОСТ Р 59311-2021 |
| Статус: | действующий |
| Название рус.: | Ракетно-космическая техника. Заглушки транспортировочные. Общие технические условия |
| Название англ.: | Space-rocket technik. Transportation plugs. General specifications |
| Дата актуализации текста: | 01.01.2022 |
| Дата актуализации описания: | 01.07.2023 |
| Дата издания: | 15.02.2021 |
| Дата введения: | 01.06.2021 |
| Нормативные ссылки: | ГОСТ 26.008; ГОСТ 2991; ГОСТ 11709; ГОСТ 13841; ГОСТ 14192; ГОСТ 15150; ГОСТ 16337; ГОСТ 16338; ГОСТ 22852; ГОСТ 30893.1 |
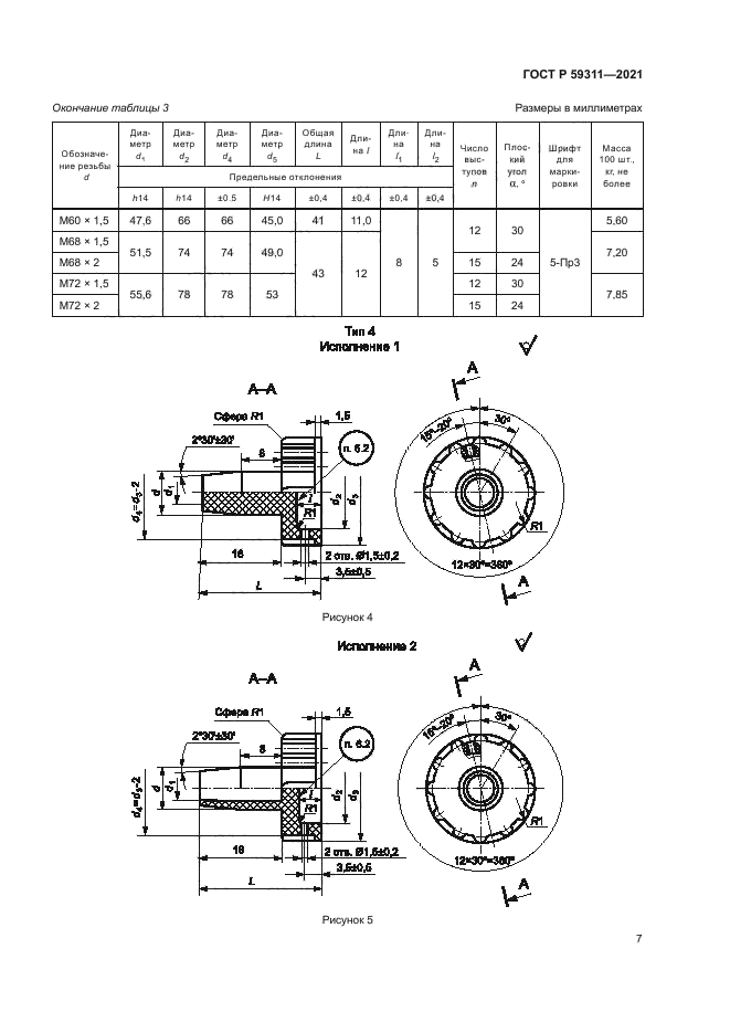
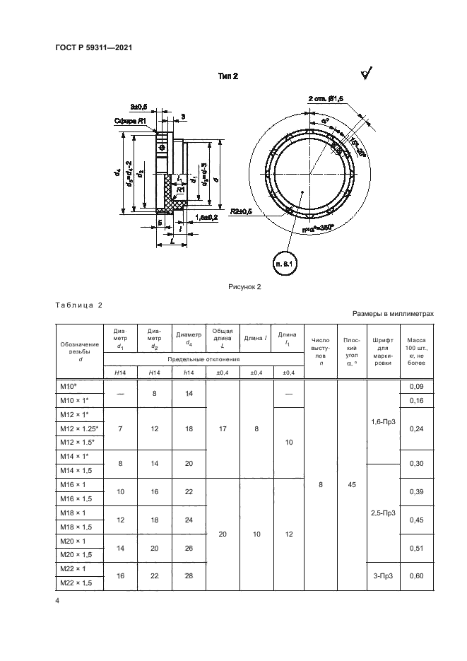
| Область применения: | Настоящий стандарт устанавливает общие технические условия и распространяется на транспортировочные заглушки (пробки и крышки), предназначенные для предохранения трубопроводов, штуцеров и наконечников агрегатов ракетно-космической техники от засорения и механических повреждений при транспортировании, хранении, регламентных и других работах |
|
| Расположен в: |
|