| ||||||||||||||||||||||||||||||||||||
Скачать ГОСТ Р 57430-2017 Трубы, соединительные части из высокопрочного чугуна с шаровидным графитом и их соединения для промысловых нефтепроводов. Технические условияДата актуализации: 01.06.2025
| ||||||||||||||||||||||||||||||||||||
| Обозначение: | ![]() ГОСТ Р 57430-2017 |
| Статус: | действующий |
| Название рус.: | Трубы, соединительные части из высокопрочного чугуна с шаровидным графитом и их соединения для промысловых нефтепроводов. Технические условия |
| Название англ.: | Pipes, fitting from ductile iron with spherical graphite and their connections for trade oil pipelines. Specifications |
| Дата актуализации текста: | 01.06.2024 |
| Дата актуализации описания: | 01.06.2024 |
| Дата издания: | 21.04.2017 |
| Дата введения: | 01.09.2017 |
| Код ОКП: | 146000 |
| Нормативные ссылки: | ГОСТ 9.602; ГОСТ 166; ГОСТ 577; ГОСТ 969; ГОСТ 1497; ГОСТ 2216; ГОСТ 3443; ГОСТ 6507; ГОСТ 7293; ГОСТ 7565; ГОСТ 8026; ГОСТ 8736; ГОСТ 9012; ГОСТ 9454; ГОСТ 10692; ГОСТ 13841; ГОСТ 14192; ГОСТ 15140; ГОСТ 18360; ГОСТ 18365; ГОСТ 19200; ГОСТ 27208; ГОСТ 15150; ГОСТ Р 51164-98; ГОСТ 33259;ГОСТ ISO 2531-2022 |
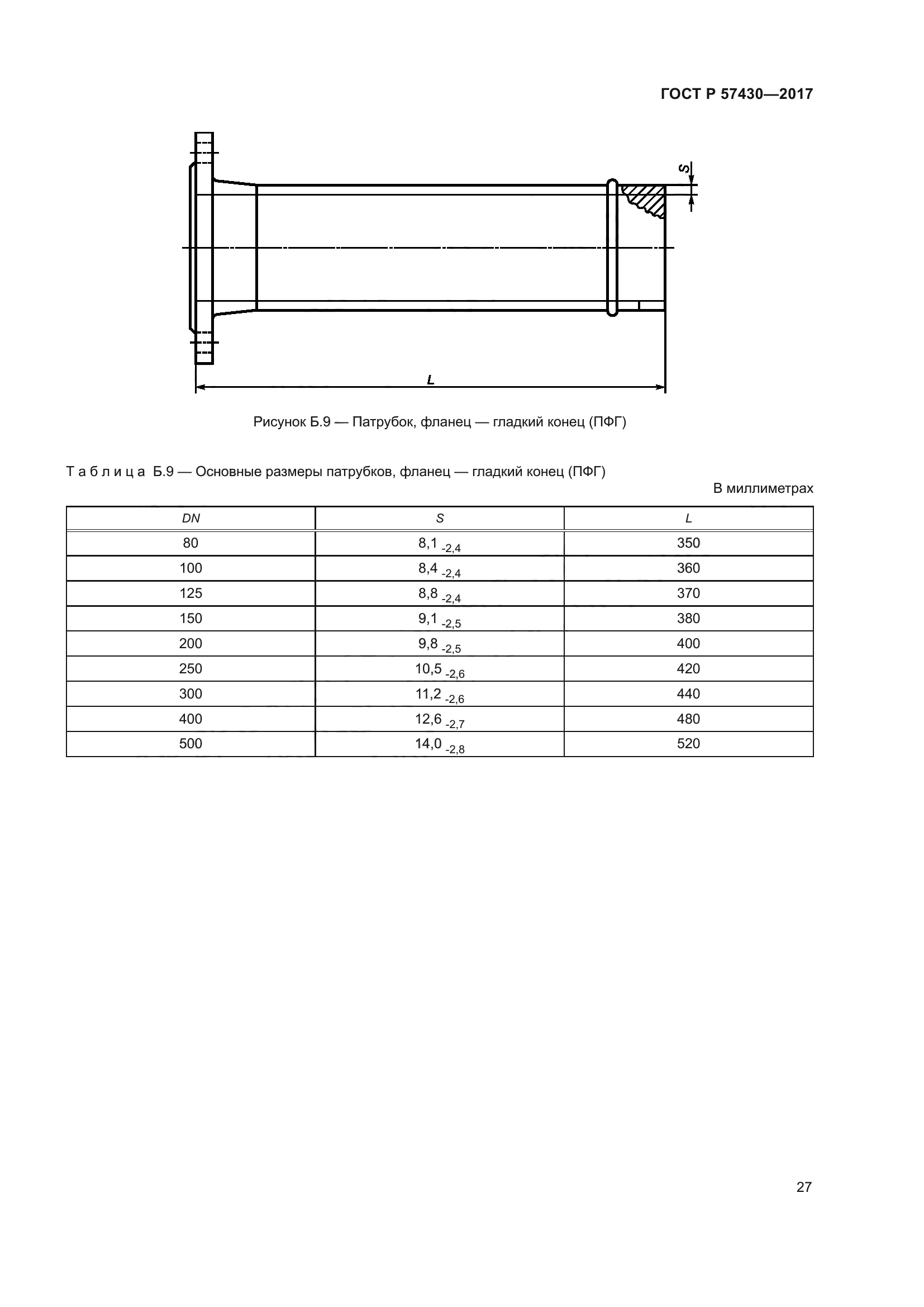
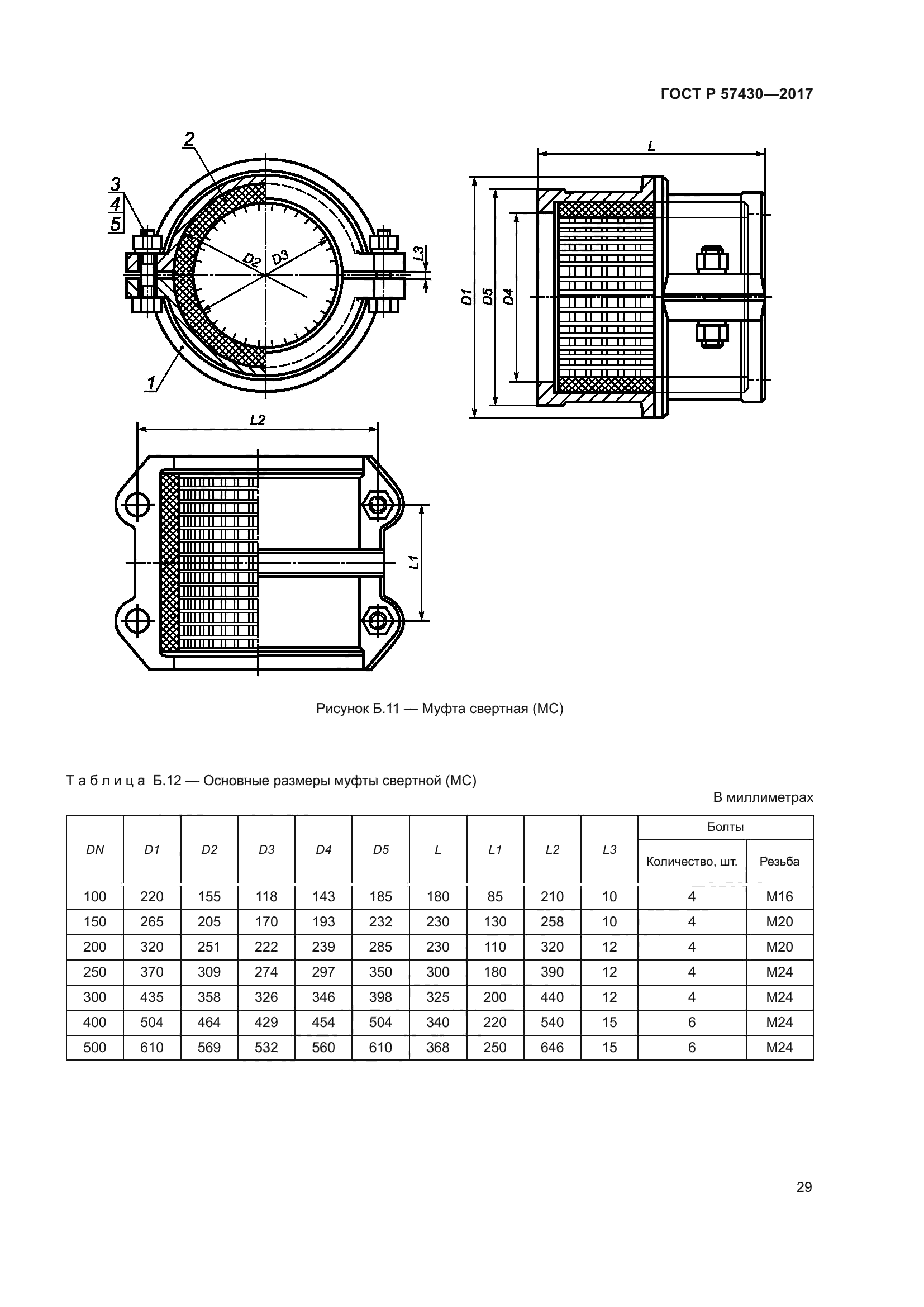
| Область применения: | Настоящий стандарт устанавливает требования к трубам и соединительным частям из высокопрочного чугуна с шаровидным графитом и их соединениям, используемым для подземной и надземной прокладки при строительстве трубопроводов внутрипромыслового сбора, транспорта нефти и сопутствующих ей компонентов-примесей, газа и пластовых вод |
| Приложение №1: | Изменение №1 к ГОСТ Р 57430-2017 |
| Расположен в: | |






























































| Обозначение: | Изменение №1 к ГОСТ Р 57430-2017 |
| Дата введения: | 01.05.2024 |



