| ||||||||||||||||||||||||||
Скачать ГОСТ Р 55951-2014 Древесина модифицированная. Метод определения износостойкости и коэффициента тренияДата актуализации: 01.06.2025
| ||||||||||||||||||||||||||
| Обозначение: | ![]() ГОСТ Р 55951-2014 |
| Статус: | действующий |
| Название рус.: | Древесина модифицированная. Метод определения износостойкости и коэффициента трения |
| Дата актуализации текста: | 01.01.2021 |
| Дата актуализации описания: | 01.07.2023 |
| Дата издания: | 06.06.2014 |
| Дата введения: | 01.01.2015 |
| Нормативные ссылки: | ГОСТ 23.301-78; ГОСТ 1050-88; ГОСТ 2140-81; ГОСТ 2789-73; ГОСТ 6507-90; ГОСТ 9012-59; ГОСТ 9013-59; ГОСТ 13338-86; ГОСТ 16483.0-89; ГОСТ 19265-73; ГОСТ 20370-74; ГОСТ Р 54577-2011; ГОСТ Р 54912-2012 |
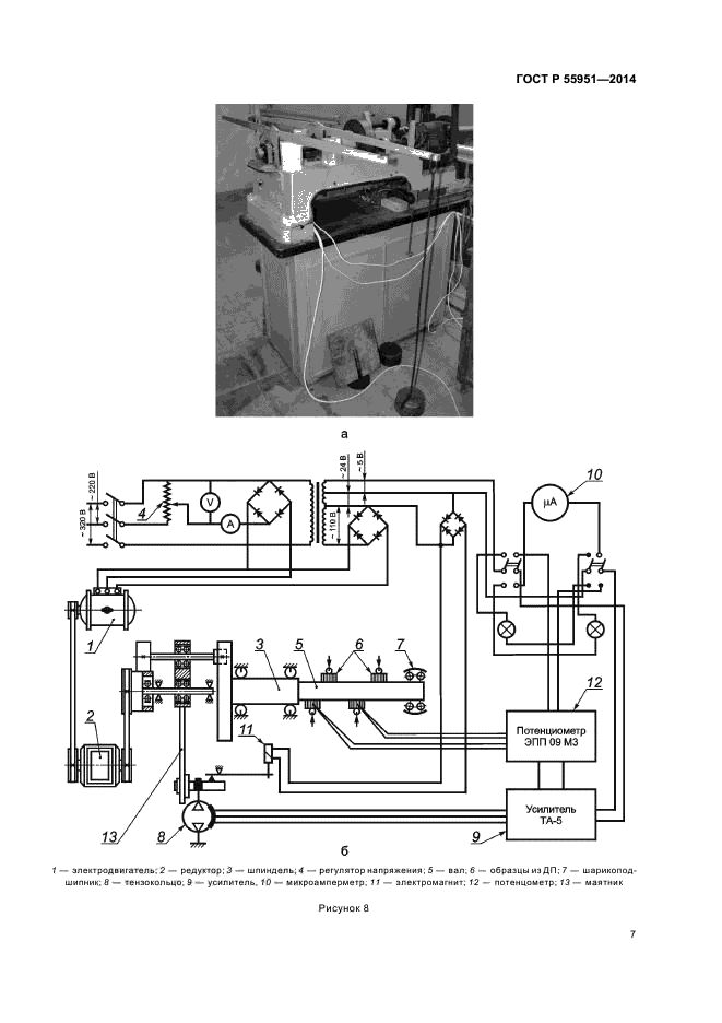
| Область применения: | Настоящий стандарт распространяется на методы определения износа и коэффициента трения модифицированной древесины и устанавливает требования к аппаратуре, материалам, подготовки к испытаниям, проведению испытаний, обработке результатов |
| Расположен в: | |














