| Обозначение: |  ГОСТ Р ИСО 10328-8-98 |
| Статус: | заменён |
| Название рус.: | Протезирование. Испытания конструкции протезов нижних конечностей. Часть 8. Отчет об испытаниях |
| Название англ.: | Prosthetics. Structural testing of lower-limb prostheses. Part 8. Test report |
| Дата актуализации текста: | 06.04.2015 |
| Дата актуализации описания: | 01.07.2023 |
| Дата издания: | 23.09.1998 |
| Дата введения: | 01.01.1999 |
| Дата окончания срока действия: | 01.01.2009 |
| Код ОКП: | 944480;939620 |
| Заменяющий: | ГОСТ Р ИСО 10328-2007 |
| Аутентичен стандартам: | ISO 10328-8:1996 |
| Нормативные ссылки: | ГОСТ Р ИСО 10328-1-98; ГОСТ Р ИСО 10328-3-98; ГОСТ Р ИСО 10328-4-98; ГОСТ Р ИСО 10328-5-98; ГОСТ Р ИСО 10328-6-98; ГОСТ Р ИСО 10328-7-98 |
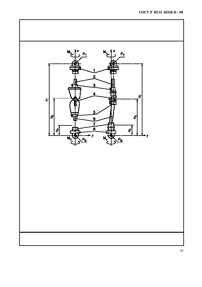
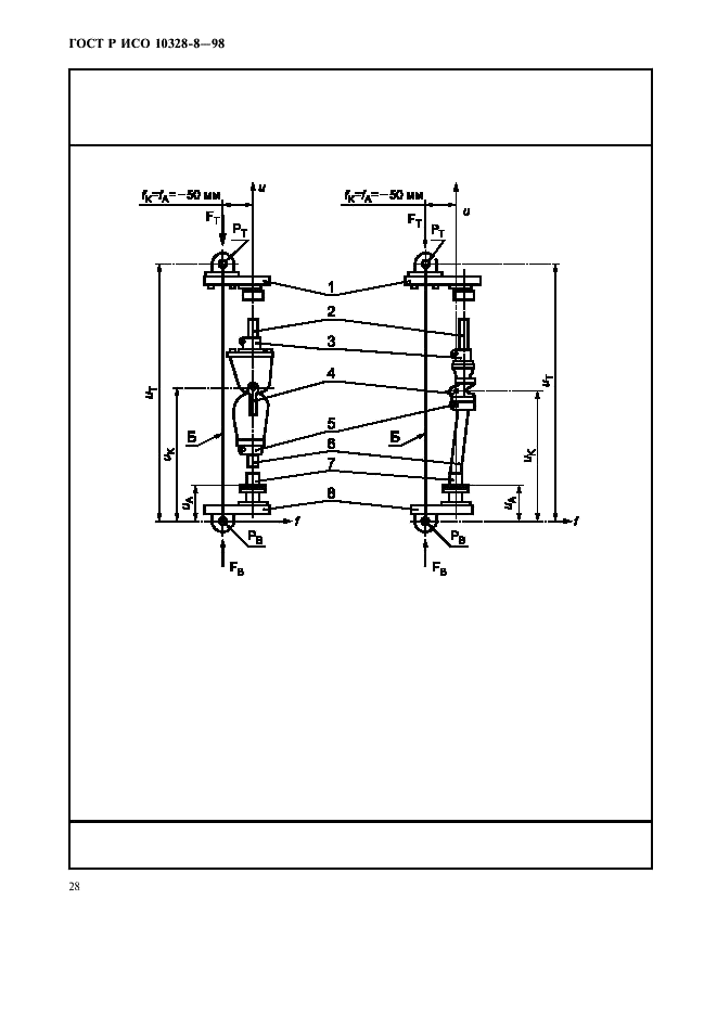
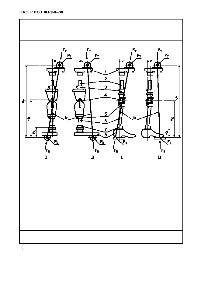
| Область применения: | Настоящий стандарт распространяется на протезы голени и бедра. Примечание - Испытания проводят на моделях полной конструкции, частичной конструкции или отдельных узлов и деталей протеза. Настоящий стандарт устанавливает требования к оформлению и содержанию отчета об испытаниях, составляемого по результатам каждого испытания, проводимого в соответствии с ГОСТ Р ИСО 10328-3, ГОСТ Р ИСО 10328-4 и (или) ГОСТ Р ИСО 10328-5, ГОСТ Р ИСО 10328-6 |
|
| Расположен в: |
|