| Обозначение: |  ГОСТ Р 71814-2024 |
| Статус: | действующий |
| Название рус.: | Производственные аспирационные системы. Проверка работоспособности и пожарной безопасности |
| Название англ.: | Industrial aspiration systems. Efficiency check and fire safety |
| Дата актуализации текста: | 01.06.2025 |
| Дата актуализации описания: | 01.06.2025 |
| Дата издания: | 06.12.2024 |
| Дата введения: | 01.12.2024 |
| Нормативные ссылки: | ГОСТ 12.1.041; ГОСТ 12.4.026; ГОСТ 5976; ГОСТ 7169; ГОСТ 8759; ГОСТ 13634; ГОСТ 14254; ГОСТ 22270; ГОСТ 25199; ГОСТ 28672; ГОСТ 31610.10-2; ГОСТ 31610.20-2; ГОСТ 31826; ГОСТ 31830; ГОСТ 31831;ГОСТ IEC 60079-10-2-2011;ГОСТ IEC 60079-14; ГОСТ Р 12.3.047; ГОСТ Р 53323; ГОСТ Р 59374.3;СП 12.13130.2009;СП 60.13330.2020;СП 108.13330.2012;СП 423.1325800.2018;СП 486.1311500.2020 |
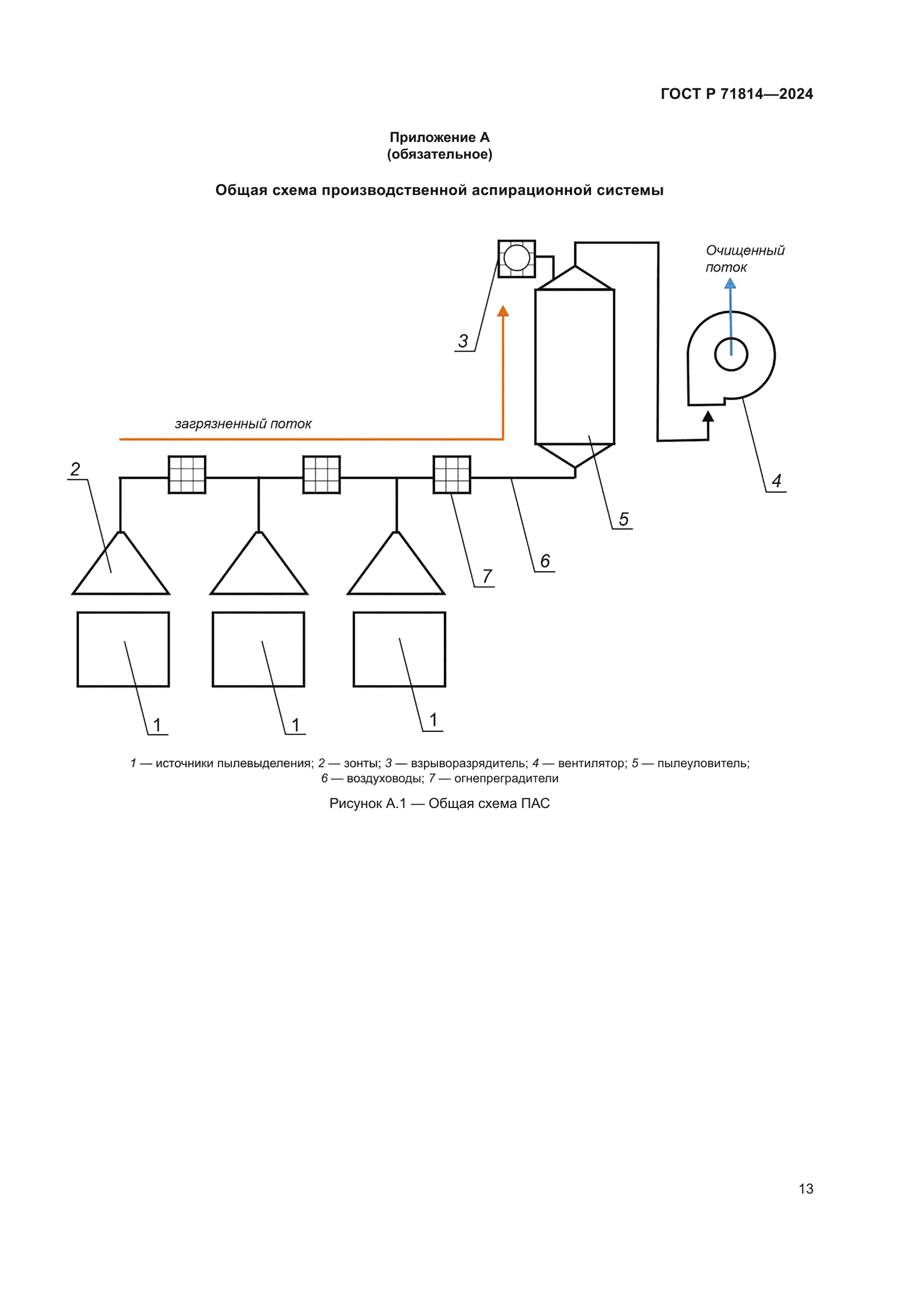
| Область применения: | Настоящий стандарт устанавливает порядок проверки работоспособности и пожарной безопасности производственных аспирационных систем. Областью применения являются производственные аспирационные системы (ПАС) производственных объектов (объектов производства), направленные на удаление от пылеобразующих технологических операций и очистку от горючей пыли производственных аспирационных потоков |
|
| Расположен в: |
|