| Обозначение: |  ГОСТ Р 71753-2024 |
| Статус: | действующий |
| Название рус.: | Защита информации. Системы автоматизированного управления учетными записями и правами доступа. Общие требования |
| Название англ.: | Information protection. Automatic accounts and access management systems. General requirements |
| Дата актуализации текста: | 01.12.2024 |
| Дата актуализации описания: | 01.01.2025 |
| Дата издания: | 22.11.2024 |
| Дата введения: | 20.12.2024 |
| Нормативные ссылки: | ГОСТ 33707; ГОСТ Р ИСО/МЭК 15504-2; ГОСТ Р 50922; ГОСТ Р 59383 |
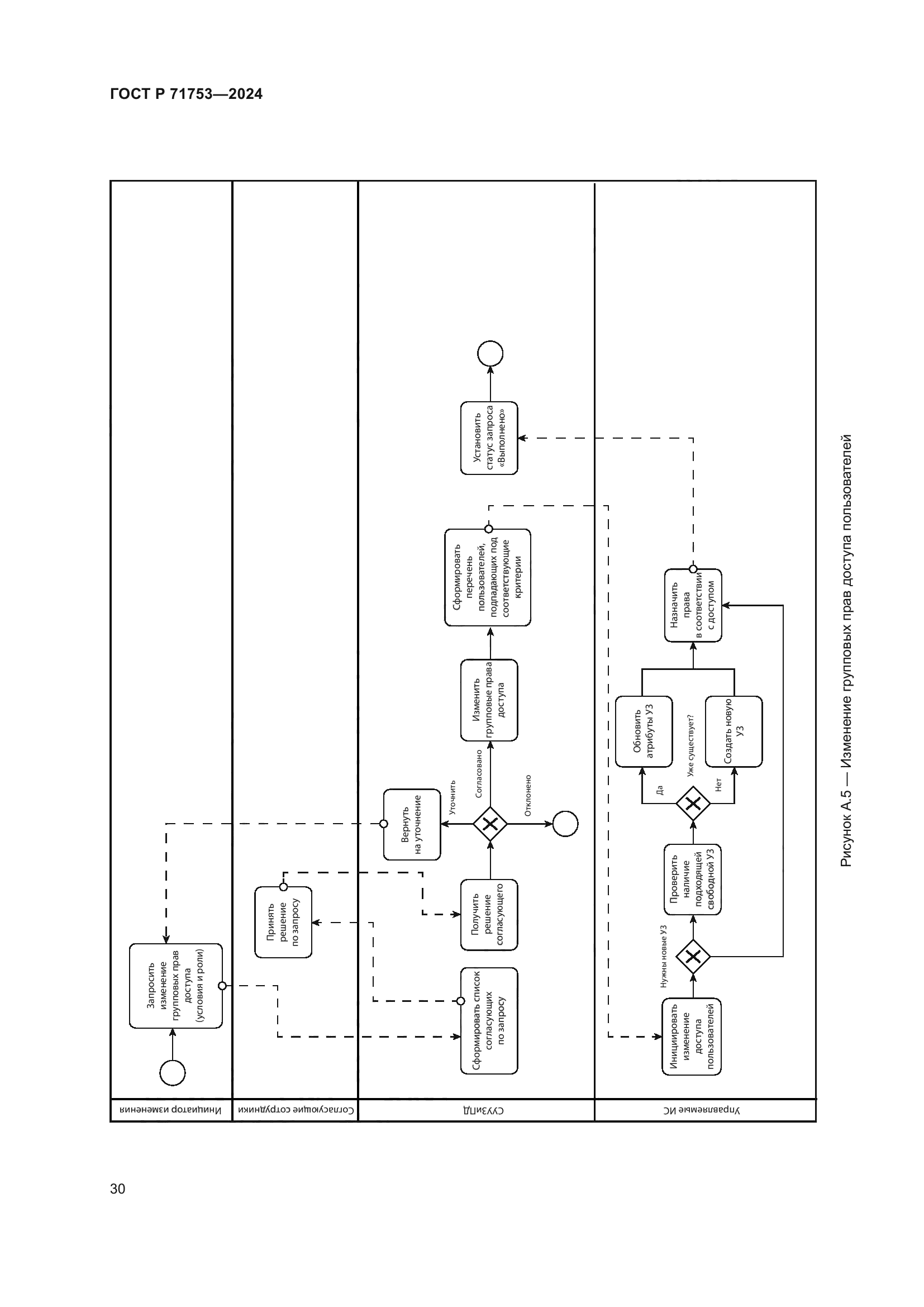
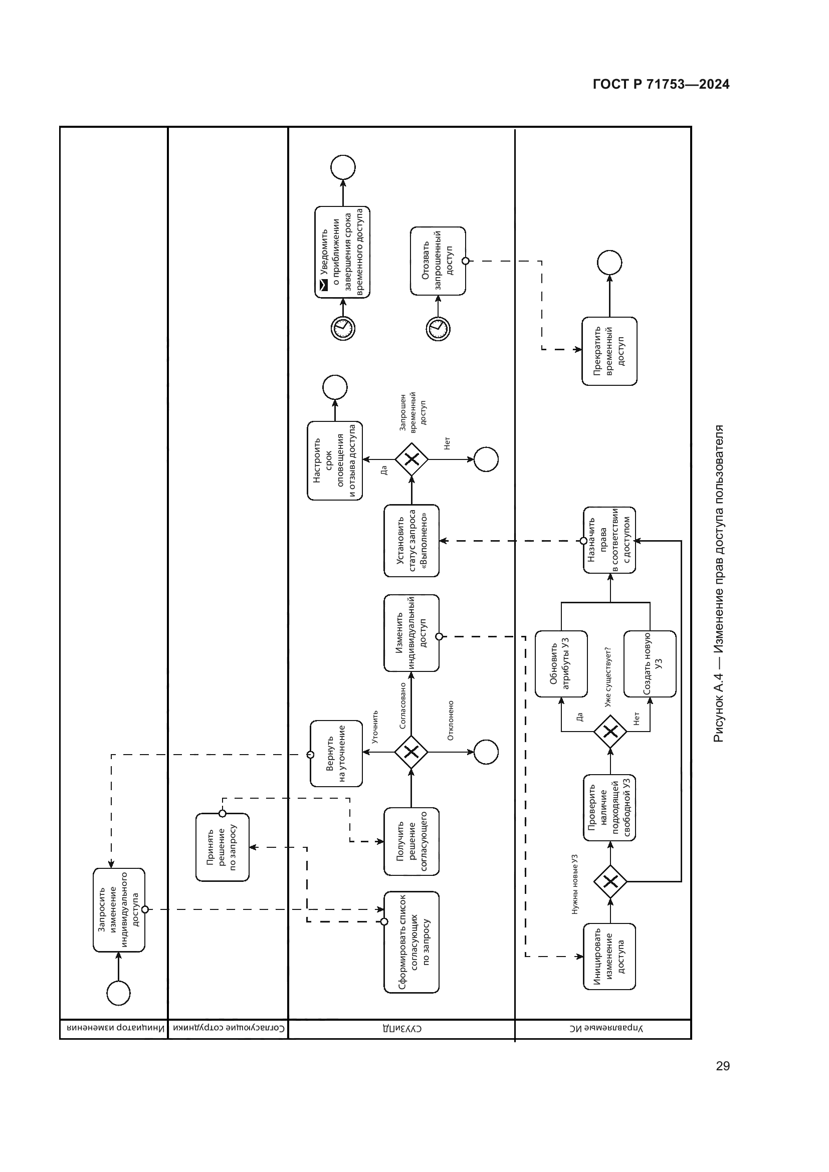
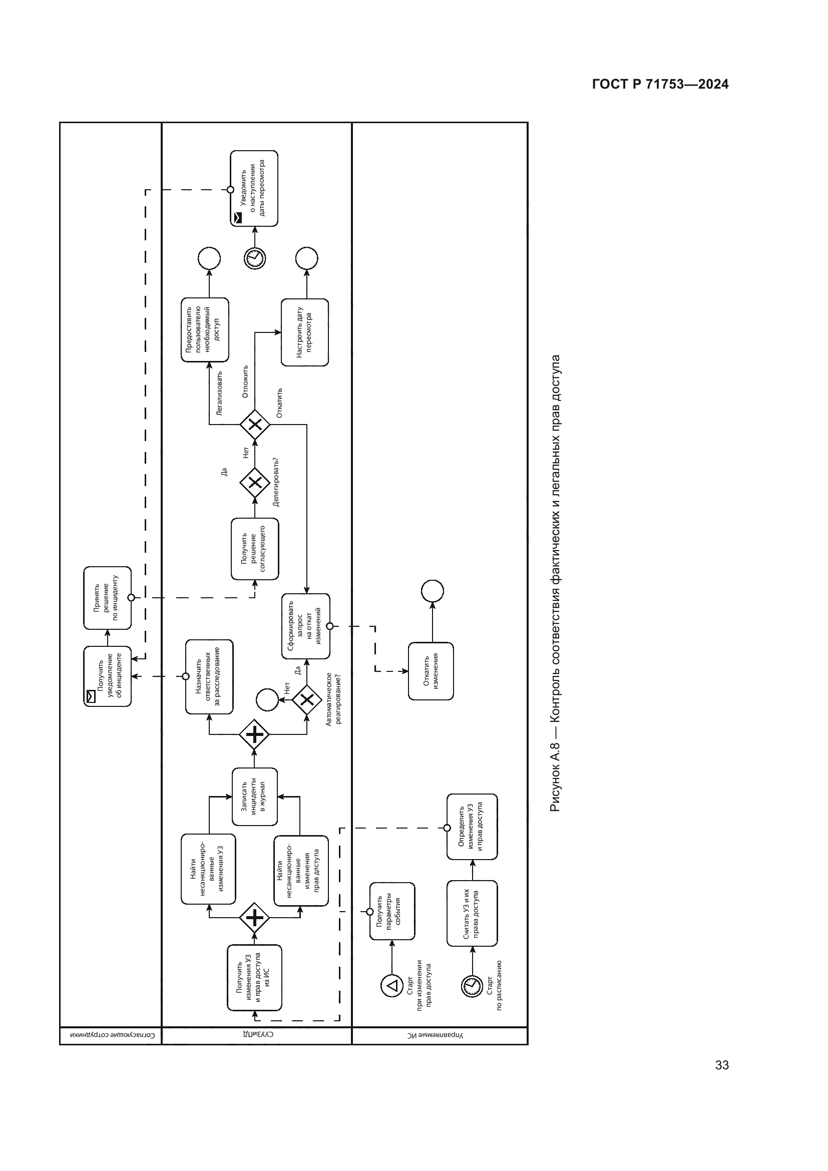
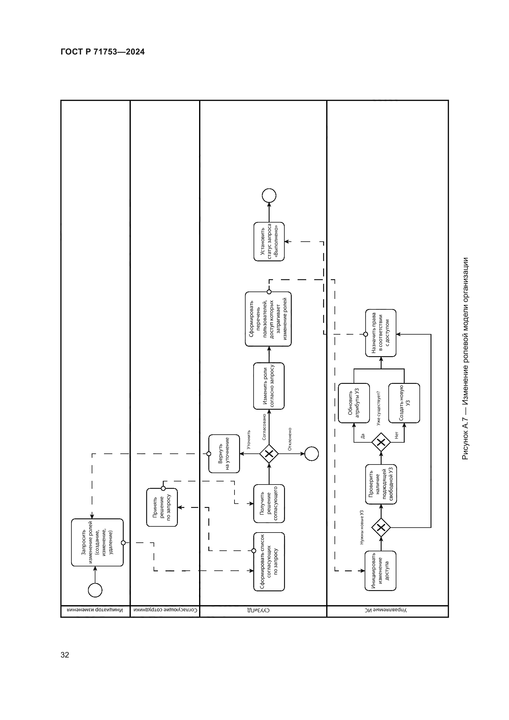
| Область применения: | Настоящий стандарт устанавливает общие требования к системам управления учетными записями и правами доступа пользователей и автоматизации процессов, связанных с управлением учетными записями и правами доступа. Для процессов, связанных с управлением учетными записями и правами доступа, определяется состав участников и содержание процессов, подлежащих автоматизации, и даются общие рекомендации по разработке и внедрению систем управления учетными записями и правами доступа пользователей |
|
| Расположен в: |
|