| Обозначение: |  ГОСТ 35095-2024 |
| Статус: | принят |
| Название рус.: | Технические средства пожарной автоматики вспомогательные. Общие технические требования. Методы испытаний |
| Название англ.: | Auxiliary for fire automatics. General technical requirements. Test methods |
| Дата актуализации текста: | 01.12.2024 |
| Дата актуализации описания: | 01.12.2024 |
| Дата регистрации: | 31.07.2024 |
| Дата издания: | 30.10.2024 |
| Дата введения: | 01.07.2026 |
| Нормативные ссылки: | ГОСТ 12.1.004; ГОСТ 12.2.007.0; ГОСТ 4784; ГОСТ 14254; ГОСТ 15527; ГОСТ 28199; ГОСТ 28200; ГОСТ 28201; ГОСТ 28203; ГОСТ 28215; ГОСТ 28216; ГОСТ 30372; ГОСТ 30804.4.2; ГОСТ 30804.4.3; ГОСТ 30804.4.4; ГОСТ 30804.4.11; ГОСТ 30805.22-2013;ГОСТ IEC 60065-2013;ГОСТ IEC 61000-4-5 |
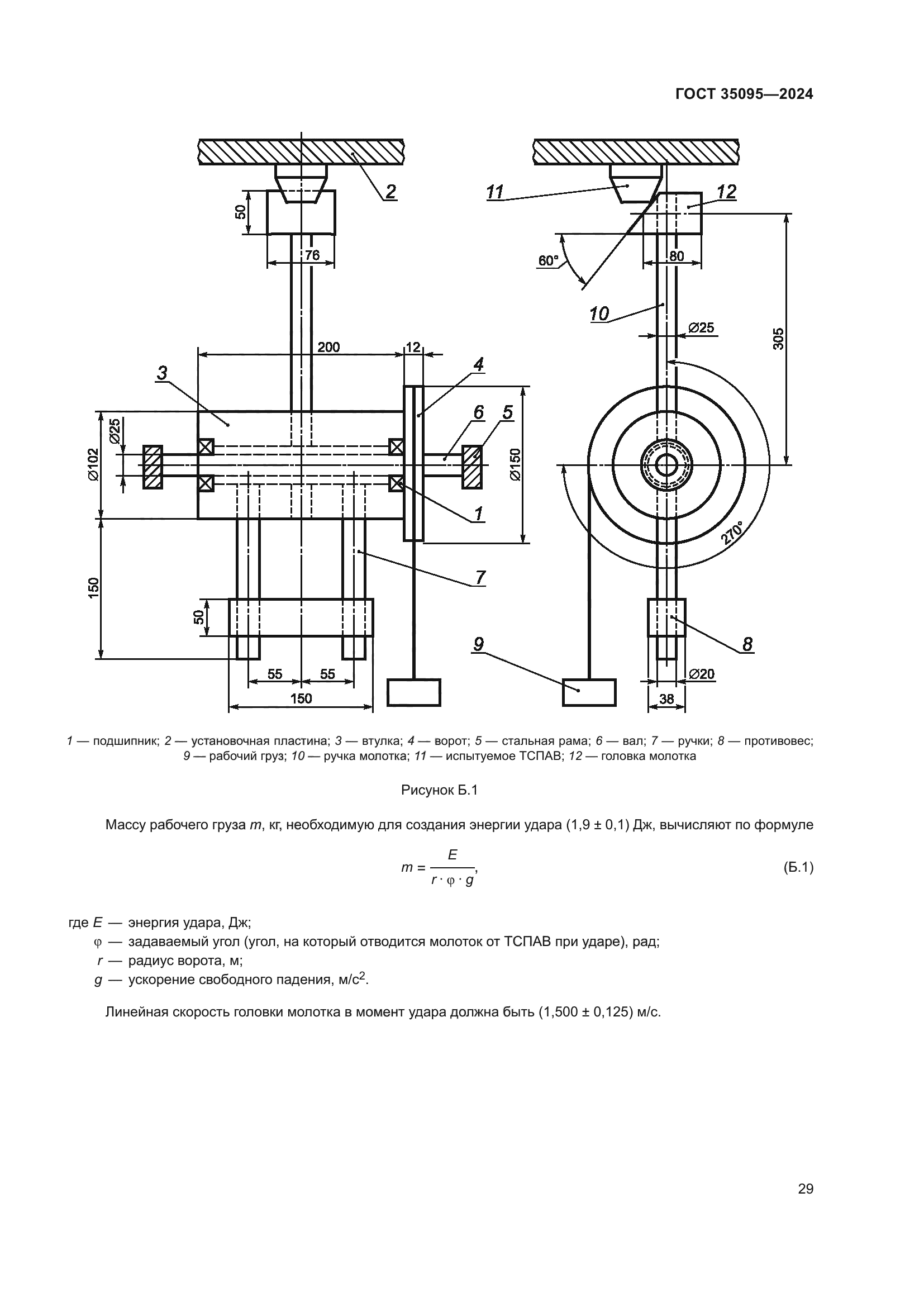
| Область применения: | Настоящий стандарт устанавливает общие технические требования и методы испытаний следующих технических средств пожарной автоматики вспомогательных (ТСПАВ): - выносные устройства индикации; - устройства дистанционного пуска; - изоляторы короткого замыкания; - устройства контроля положения запорной арматуры; - устройства контроля положения двери. Положения настоящего стандарта применяются при разработке и постановке продукции на производство, производстве и модернизации продукции |
|
| Расположен в: |
|