| ||||||||||||||||||||||||||||
Скачать ГОСТ Р 71355-2024 Оптика офтальмологическая. Линзы контактные. Часть 3. Методы измеренийДата актуализации: 01.06.2025
| ||||||||||||||||||||||||||||
| Обозначение: | ![]() ГОСТ Р 71355-2024 |
| Статус: | действующий |
| Название рус.: | Оптика офтальмологическая. Линзы контактные. Часть 3. Методы измерений |
| Название англ.: | Ophthalmic optics. Contact lenses. Part 3. Measurement methods |
| Дата актуализации текста: | 01.12.2024 |
| Дата актуализации описания: | 01.01.2025 |
| Дата издания: | 20.09.2024 |
| Дата введения: | 01.01.2025 |
| Нормативные ссылки: | ГОСТ 11141; ГОСТ 15150;ГОСТ ISO 10343; ГОСТ Р 8.568; ГОСТ Р 50606; ГОСТ Р 53941; ГОСТ Р 71354; ГОСТ Р ИСО 9342-1 |
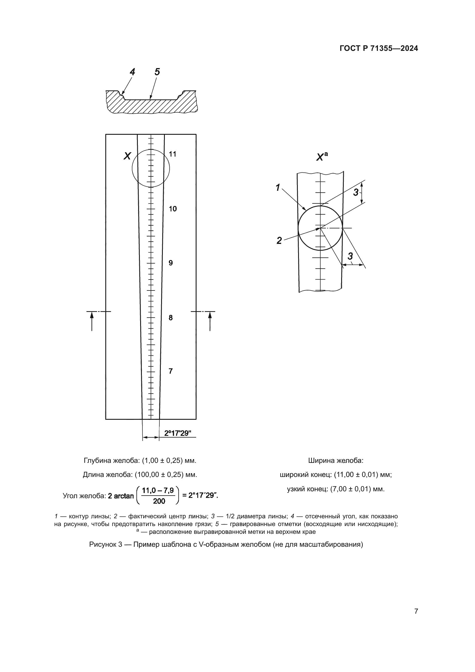
| Область применения: | Настоящий стандарт распространяется на жесткие газопроницаемые контактные линзы, а также мягкие контактные линзы. Настоящий стандарт устанавливает методы измерений физических и оптических параметров контактных линз, установленных в ГОСТ Р 71354: радиуса кривизны, задней вершинной рефракции, общего диаметра, диаметра и ширины зон, толщины, проверки края, включений и дефектов поверхности, и спектрального коэффициента пропускания |
| Расположен в: | |























