| Обозначение: |  ГОСТ Р 71494-2024 |
| Статус: | действующий |
| Название рус.: | Система водяного отопления судовая. Правила и нормы проектирования |
| Название англ.: | Ship water heating system. Rules and standards of designing |
| Дата актуализации текста: | 01.12.2024 |
| Дата актуализации описания: | 01.12.2024 |
| Дата издания: | 17.07.2024 |
| Дата введения: | 01.09.2024 |
| Нормативные ссылки: | ГОСТ 5648; ГОСТ 22270; ГОСТ 24389; ГОСТ 31311; ГОСТ 32415; ГОСТ Р 58067-2018; ГОСТ Р 58881 |
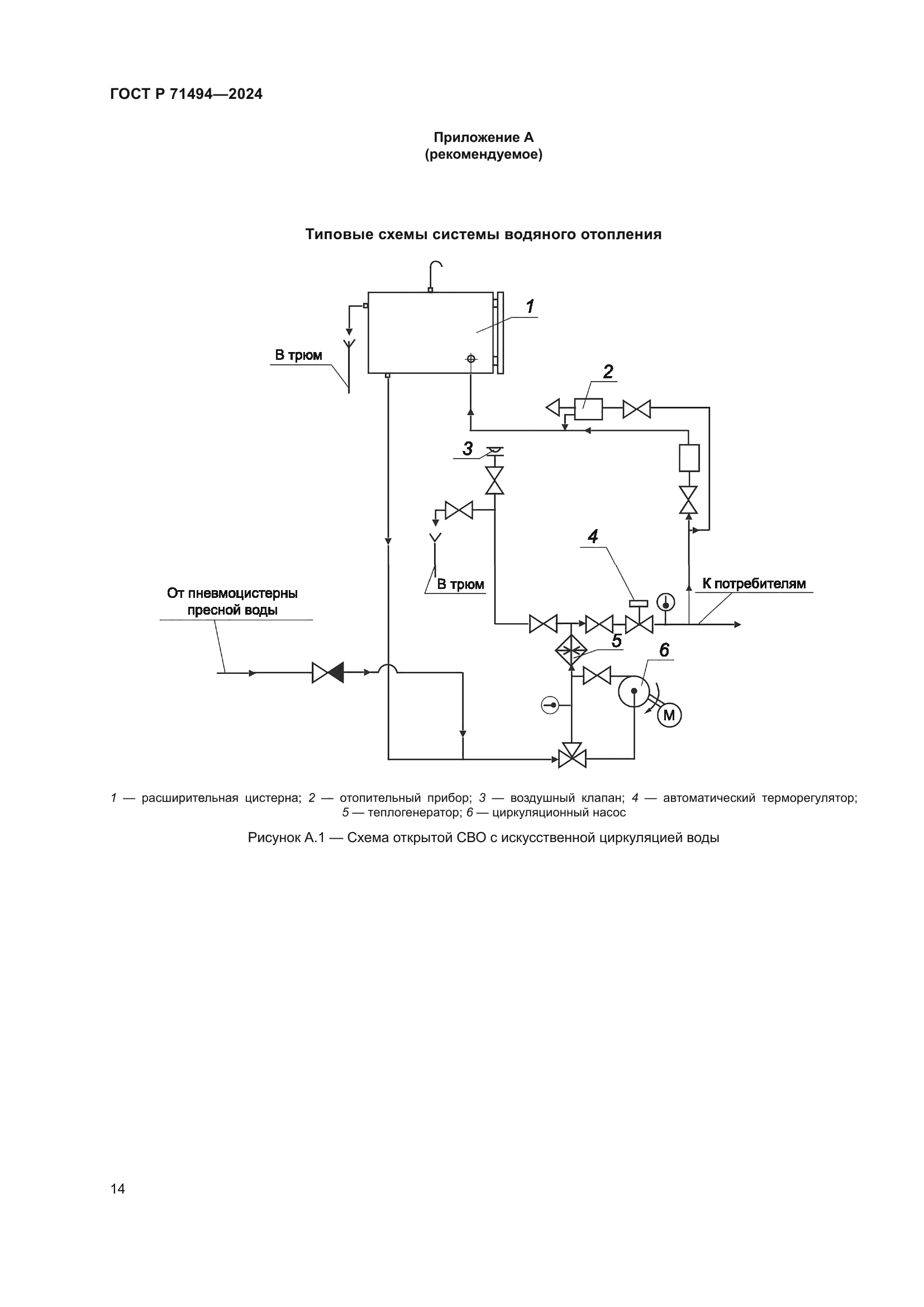
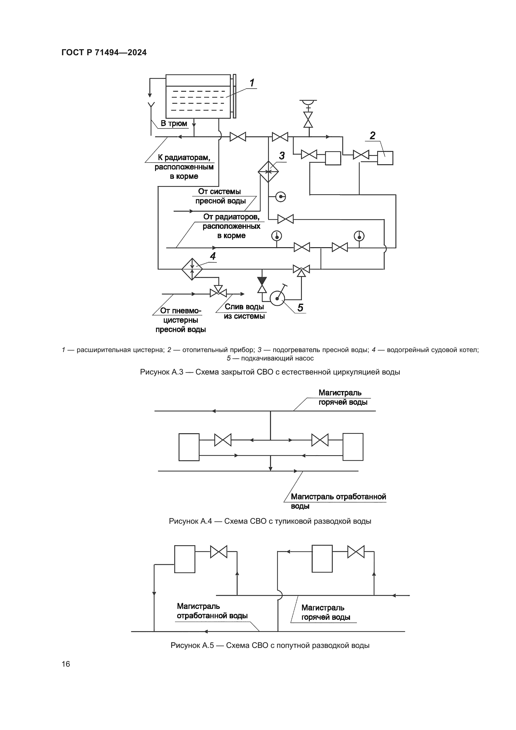
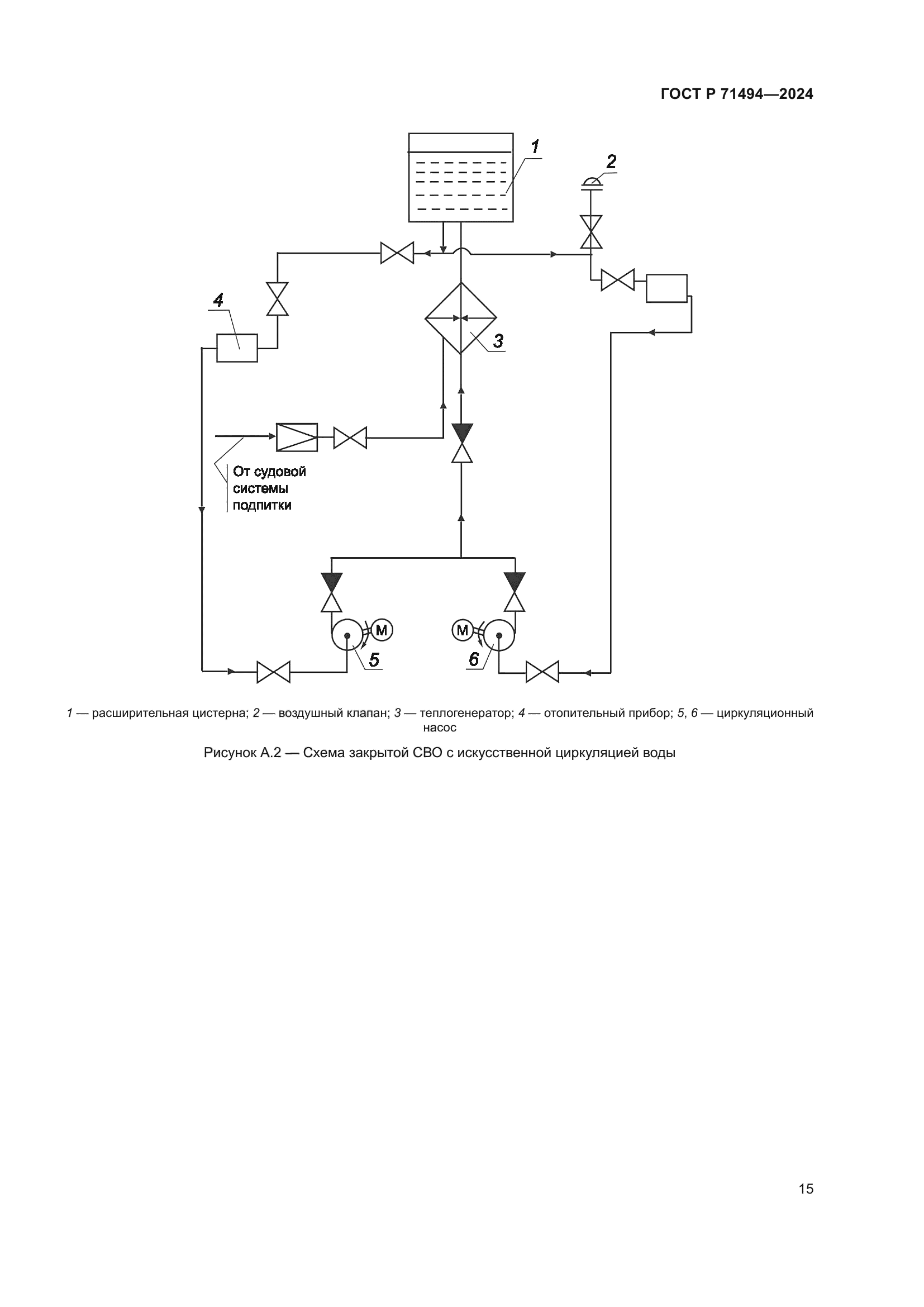
| Область применения: | Настоящий стандарт устанавливает состав основного оборудования системы водяного отопления (СВО), правила выбора и размещения оборудования и трубопроводов в судовых помещениях, а также методику расчета СВО. Настоящий стандарт распространяется на двухтрубную СВО помещений морских судов, судов внутреннего плавания и плавсредств (далее — суда). Стандарт предназначен для проектирования систем отопления с теплоносителем водой или водным раствором |
|
| Расположен в: |
|