| Обозначение: |  ГОСТ ISO 24410-2014 |
| Статус: | действующий |
| Название рус.: | Машины землеройные. Установка cменного оборудования на погрузчики с бортовым поворотом |
| Название англ.: | Earth-moving machinery. Coupling of attachments to skid steer loaders |
| Дата актуализации текста: | 01.06.2024 |
| Дата актуализации описания: | 01.01.2025 |
| Дата регистрации: | 14.11.2014 |
| Дата издания: | 15.02.2024 |
| Дата введения: | 01.01.2025 |
| Аутентичен стандартам: | ISO 24410:2005 |
| Нормативные ссылки: | ISO 6165:2012;ISO 6746-2:2003 |
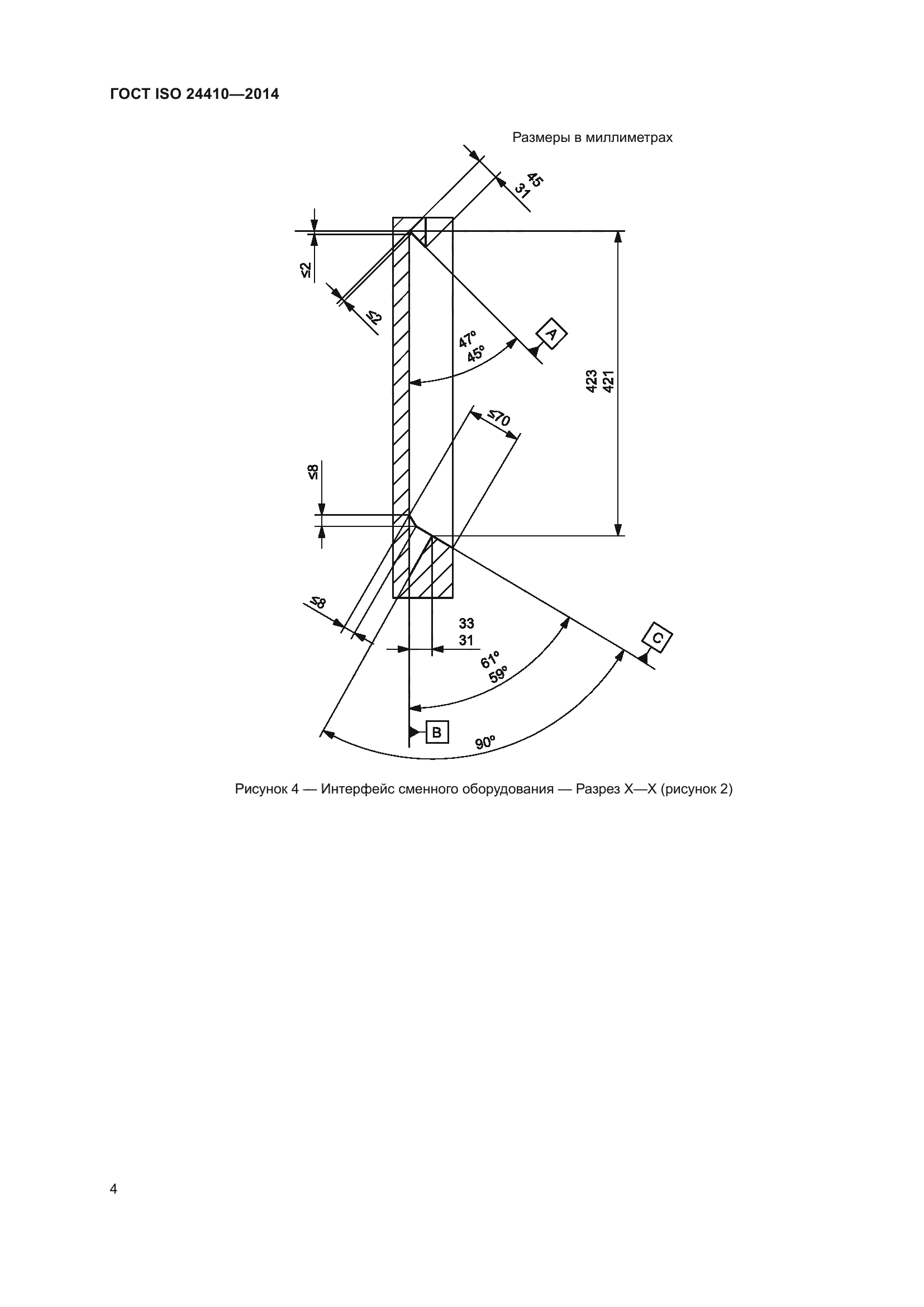
| Область применения: | Настоящий стандарт устанавливает присоединительные размеры интерфейса сменного оборудования, обеспечивающие взаимозаменяемость сменного оборудования, предназначенного для установки на погрузчики с бортовым поворотом. Настоящий стандарт распространяется на погрузчики с бортовым поворотом по ISO 6165 с эксплуатационной массой не более 4 500 кг. Погрузчики с бортовым поворотом с узкой колеей могут иметь ширину, которая не позволит обеспечить соответствие. Требования настоящего стандарта не ограничивают конструкцию блокирующей системы держателя сменного оборудования, которая устанавливается по усмотрению изготовителя. Он не распространяется на держатели интерфейса сменного оборудования с боковой блокирующей системой |
|
| Расположен в: |
|