| ||||||||||||||||||||||||||||
Скачать ГОСТ Р 42.4.17-2023 Гражданская оборона. Инженерно-техническое оборудование защитных сооружений гражданской обороны. Камеры расширительные. Общие технические требования. Методы испытанийДата актуализации: 01.06.2025
| ||||||||||||||||||||||||||||
| Обозначение: | ![]() ГОСТ Р 42.4.17-2023 |
| Статус: | действующий |
| Название рус.: | Гражданская оборона. Инженерно-техническое оборудование защитных сооружений гражданской обороны. Камеры расширительные. Общие технические требования. Методы испытаний |
| Название англ.: | Civil defense. Engineering and technical equipment of civil defense constructions. Expansion chambers. General technical requirements. Test methods |
| Дата актуализации текста: | 01.06.2024 |
| Дата актуализации описания: | 01.06.2024 |
| Дата издания: | 16.01.2024 |
| Дата введения: | 01.05.2024 |
| Нормативные ссылки: | ГОСТ 8.051; ГОСТ 8.286; ГОСТ 9.302; ГОСТ 9.402-2004; ГОСТ 166; ГОСТ 427; ГОСТ 1033; ГОСТ 3242; ГОСТ 7502; ГОСТ 9467 ; ГОСТ 10354; ГОСТ 14192-96; ГОСТ 14254; ГОСТ 16037; ГОСТ 16504; ГОСТ 19903; ГОСТ 22270; ГОСТ 23170; ГОСТ 25129; ГОСТ 25346; ГОСТ 30630.2.1; ГОСТ 31973; ГОСТ 34233.1-2017; ГОСТ 34233.2-2017; ГОСТ Р 2.610; ГОСТ Р 8.568; ГОСТ Р 42.4.07; ГОСТ Р 51369 |
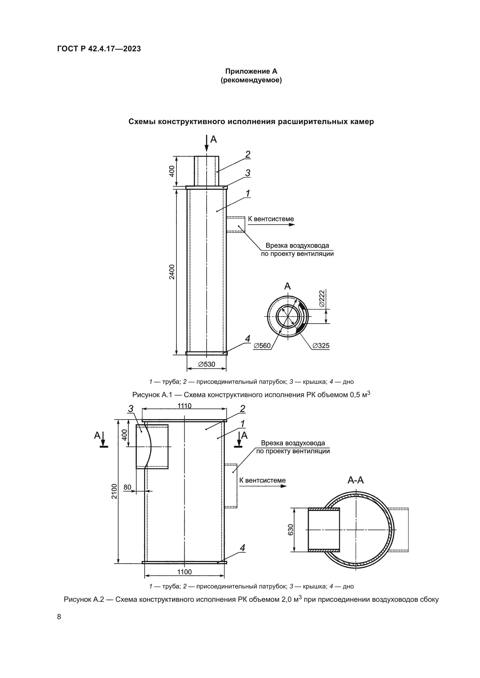
| Область применения: | Настоящий стандарт распространяется на металлические расширительные камеры (далее – расширительные камеры, РК), являющиеся элементом систем вентиляции убежищ гражданской обороны (далее – убежищ) и размещаемые после противовзрывных устройств на газовоздушных трактах |
| Расположен в: | |











