| Обозначение: |    ГОСТ 34984-2023 | 
| Статус: | действующий | 
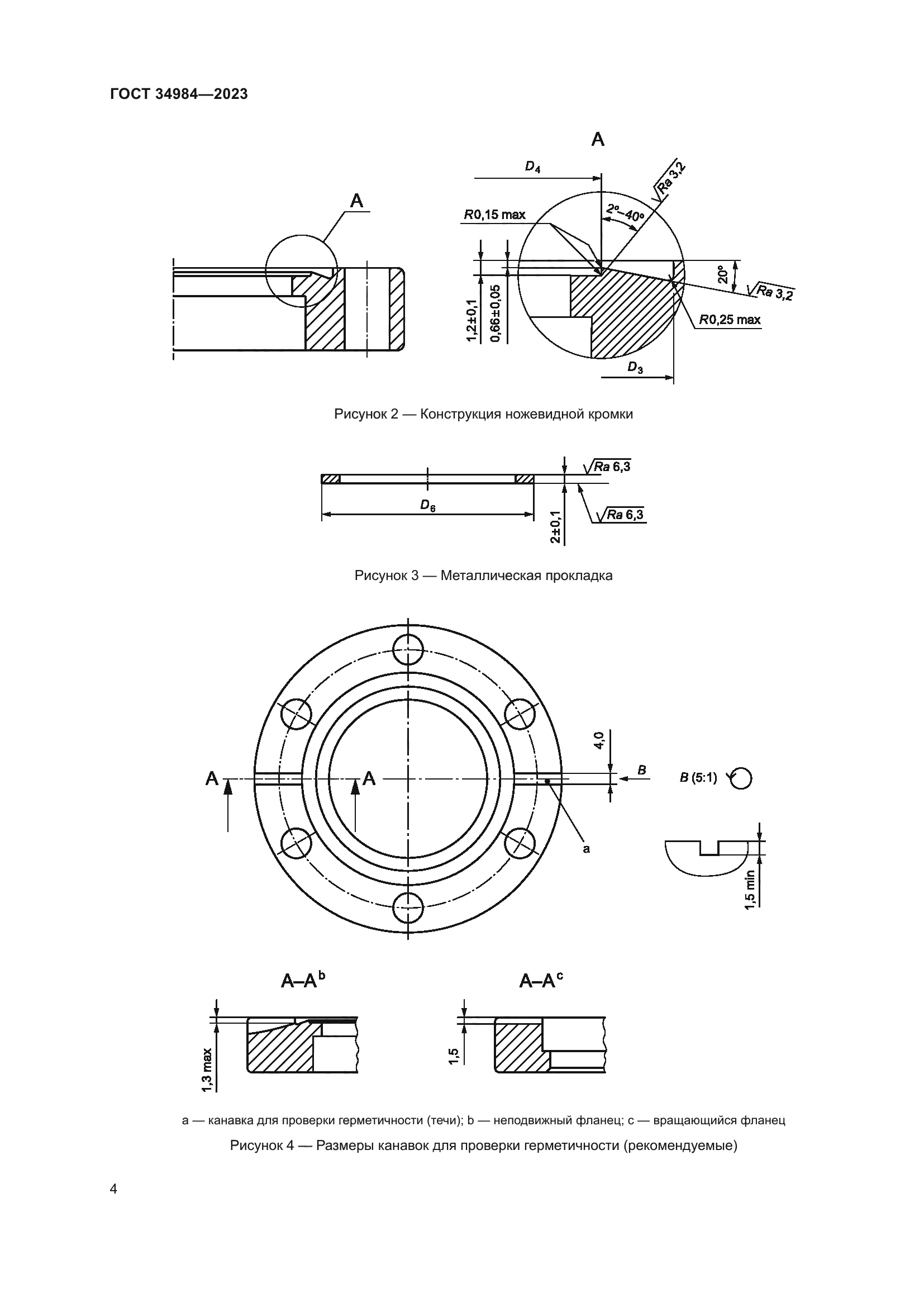
| Название рус.: | Вакуумная технология. Размеры фланцев с ножевидной кромкой | 
| Название англ.: | Vacuum technology. Dimensions of knife-edge flanges | 
| Дата актуализации текста: | 01.06.2024 | 
| Дата актуализации описания: | 01.01.2024 | 
| Дата регистрации: | 28.07.2023 | 
| Дата издания: | 10.10.2023 | 
| Дата введения: | 01.12.2023 | 
| Взамен: | ГОСТ ISO 3669-2014 | 
| Содержит требования: | ISО 3669:2020 | 
| Нормативные ссылки: |  ГОСТ 16093 | 
| Область применения: | Настоящий стандарт устанавливает размеры неподвижных или вращающихся фланцев с ножевидной кромкой, соединенных болтами, которые используют в вакуумных системах в диапазоне давлений от атмосферного до 10–11 Па | 
| Приложение №1: | Поправка к ГОСТ 34984-2023 | 
 | 
| Расположен в: | 
  |