| Обозначение: |    ГОСТ 12391-77 | 
| Статус: | действующий | 
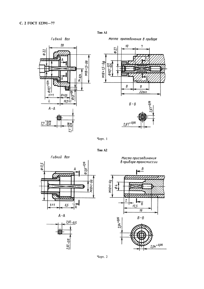
| Название рус.: | Валы гибкие проволочные автотракторных приборов. Технические условия | 
| Название англ.: | Panel board flexible shafts for vehicle. Specifications | 
| Дата актуализации текста: | 06.04.2015 | 
| Дата актуализации описания: | 01.07.2023 | 
| Дата издания: | 01.03.2003 | 
| Дата введения: | 01.01.1979 | 
| Код ОКП: | 457381 | 
| Взамен: |  ГОСТ 12391-66; ГОСТ 14011-68 | 
| Нормативные ссылки: |  ГОСТ 515-77; ГОСТ 3940-84; ГОСТ 8273-75; ГОСТ 8828-89; ГОСТ 9569-79; ГОСТ 10354-82; ГОСТ 15150-69; ГОСТ 15841-88; ГОСТ 17308-88; ГОСТ 18242-72 | 
| Область применения: | Настоящий стандарт распространяется на гибкие валы автотракторных приборов с левым вращением со стороны трансмиссии (привода), применяемых на автомобилях, тракторах, мотоциклах и других транспортных средствах. Стандарт не распространяется на гибкие валы для привода стеклоочистителей, таксометров, а также на гибкие валы дистанционного управления (сброса суточного счетчика, установки стрелок часов, гибких сочленений в замках) | 
| Список изменений: | №0 от 15.04.1981 (рег. 15.04.1981) «Дата введения перенесена» №1 от 01.05.1984 (рег. 11.01.1984) «Срок действия продлен» №2 от 01.01.1989 (рег. 10.07.1988) «Срок действия продлен» | 
 | 
| Расположен в: | 
  |