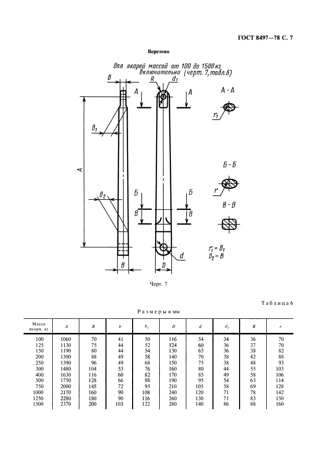
| ||||||||||||||||||||||||||||||||||
 Скачать ГОСТ 8497-78 Якоря Матросова. Технические условияДата актуализации: 01.06.2025
 | ||||||||||||||||||||||||||||||||||
| Обозначение: | ![]()   ГОСТ 8497-78 | 
| Статус: | действующий | 
| Название рус.: | Якоря Матросова. Технические условия | 
| Название англ.: | Matrosov's anchor. Specifications | 
| Дата актуализации текста: | 06.04.2015 | 
| Дата актуализации описания: | 01.07.2023 | 
| Дата издания: | 01.12.2003 | 
| Дата введения: | 01.01.1980 | 
| Код ОКП: | 641111 | 
| Взамен: |  ГОСТ 8497-68 | 
| Нормативные ссылки: |  ГОСТ 9.032-74; ГОСТ 380-94; ГОСТ 765-85; ГОСТ 977-88; ГОСТ 1050-88; ГОСТ 1709-75; ГОСТ 2991-85; ГОСТ 3282-74; ГОСТ 3560-73; ГОСТ 5264-80; ГОСТ 7062-90; ГОСТ 8479-70; ГОСТ 9078-84; ГОСТ 9467-75; ГОСТ 14192-96; ГОСТ 15150-69; ГОСТ 15846-2002; ГОСТ 22235-76; ГОСТ 24597-81; ГОСТ 25347-82; ГОСТ 26645-85 | 
| Область применения: | Настоящий стандарт распространяется на якоря Матросова, применяемые на надводных кораблях, судах и плавсредствах внутреннего плавания, изготовляемые для нужд народного хозяйства и экспорта | 
| Список изменений: | №1 от 01.01.1981 (рег. 06.08.1980) «Срок действия продлен» №2 от 01.11.1983 (рег. 25.05.1983) «Срок действия продлен» №3 от 01.01.1985 (рег. 27.03.1984) «Срок действия продлен» №4 от 01.01.1990 (рег. 06.04.1989) «Срок действия продлен»  | 
| Расположен в: | |














