| Обозначение: |  ГОСТ Р 70414-2022 |
| Статус: | действующий |
| Название рус.: | Конструкции опорные корпуса водо-водяного энергетического реактора. Расчет на прочность |
| Название англ.: | Supporting structures for water-water energetic reactor vessel. Strength assessment |
| Дата актуализации текста: | 01.07.2023 |
| Дата актуализации описания: | 01.07.2023 |
| Дата издания: | 12.01.2023 |
| Дата введения: | 01.02.2023 |
| Нормативные ссылки: | ГОСТ Р 59115.1; ГОСТ Р 59115.2; ГОСТ Р 59115.3; ГОСТ Р 59115.9-2021 |
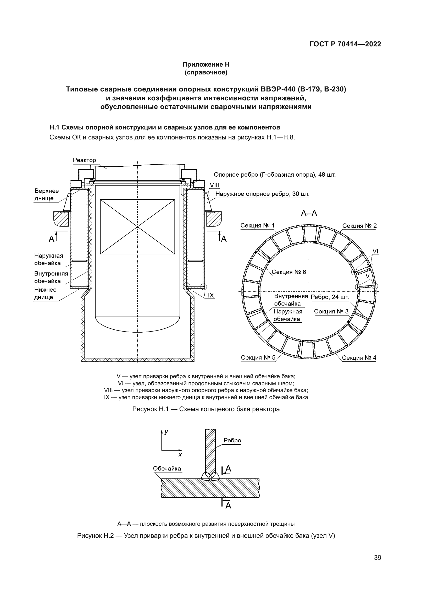
| Область применения: | Настоящий стандарт распространяется на опорные конструкции, изготовленные из материалов ферритного класса (углеродистые стали и их сварные швы), и устанавливает требования к их расчету на прочность по критериям исключения хрупкого и усталостного разрушения. Настоящий стандарт предназначен для расчетов на прочность опорных конструкций корпусов водо-водяных энергетических реакторов, проводимых на стадиях их проектирования и эксплуатации |
|
| Расположен в: |
|