| Обозначение: |  ГОСТ Р МЭК 61084-2-1-2022 |
| Статус: | действующий |
| Название рус.: | Системы кабельных и специальных кабельных коробов для электрических установок. Часть 2-1. Частные требования. Системы кабельных и специальных кабельных коробов, предназначенные для установки на стенах и потолках |
| Название англ.: | Cable trunking systems and cable ducting systems for electrical installations. Part 2-1. Particular requirements. Cable trunking systems and cable ducting systems intended for mounting on walls and ceilings |
| Дата актуализации текста: | 01.01.2023 |
| Дата актуализации описания: | 01.07.2023 |
| Дата издания: | 16.09.2022 |
| Дата введения: | 01.10.2022 |
| Взамен: | ГОСТ Р МЭК 61084-2-1-2007 |
| Аутентичен стандартам: | IEC 61084-2-1(2017) |
| Нормативные ссылки: | ISO 535:2014;ISO 536:2012;IEC 60068-2-75(2014);IEC 60228(2004);IEC 61084-1(2017) |
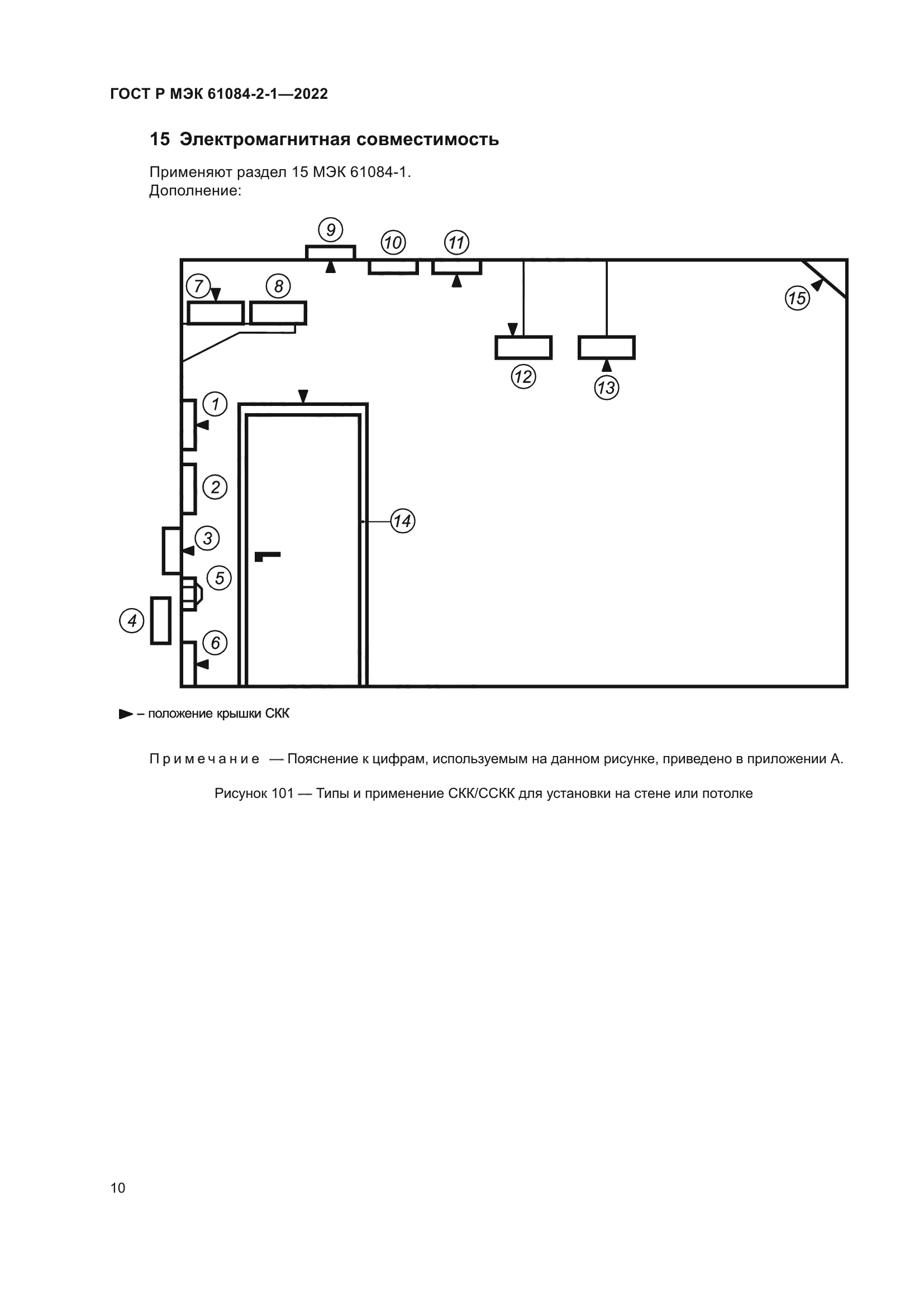
| Область применения: | Настоящий стандарт определяет требования и испытания для систем кабельных коробов (СКК) и систем специальных кабельных коробов (ССКК), предназначенных для размещения и, при необходимости, для электрозащитного разделения изолированных проводников, кабелей и (или) другого электрического оборудования в установках электрических систем и (или) систем связи. Максимальное напряжение этих установок составляет 1000 В переменного тока и 1500 В постоянного тока |
|
| Расположен в: |
|