| Обозначение: |  ГОСТ Р 59965-2021 |
| Статус: | действующий |
| Название рус.: | Единая энергетическая система и изолированно работающие энергосистемы. Электрические сети. Системы плавки гололеда на проводах и грозозащитных тросах линий электропередачи. Выбор и обоснование принципиальных технических решений |
| Название англ.: | United power system and isolated power systems. Electrical networks. Ice-melting systems on conductors and ground-wire cable of the overhead transmission line. The choice and basis of principal technical solutions |
| Дата актуализации текста: | 01.06.2022 |
| Дата актуализации описания: | 01.07.2023 |
| Дата издания: | 31.01.2022 |
| Дата введения: | 01.03.2022 |
| Нормативные ссылки: | ГОСТ 839; ГОСТ 3062; ГОСТ 3063; ГОСТ Р МЭК 60617-DB-12M |
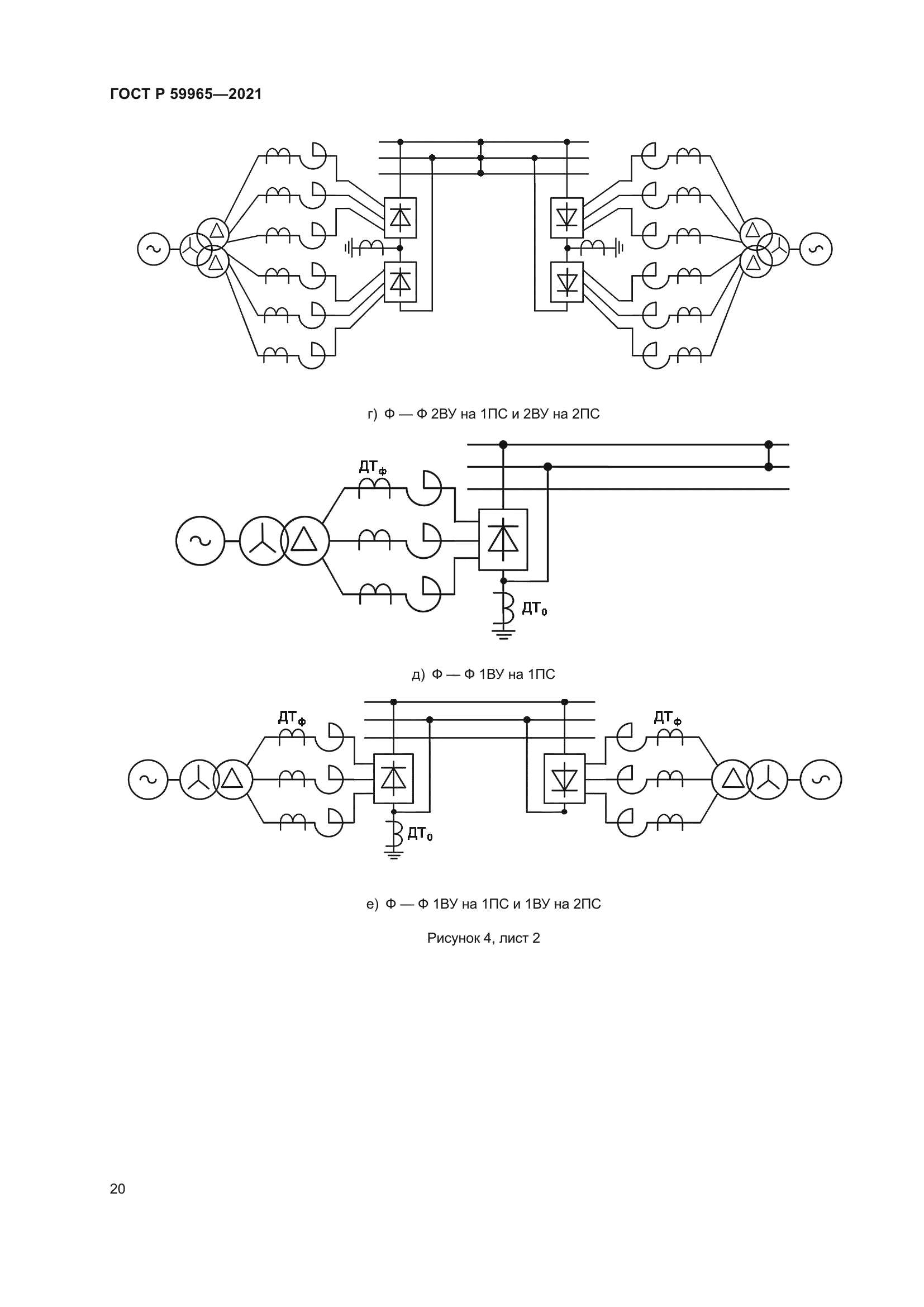
| Область применения: | Настоящий стандарт устанавливает методы выбора и обоснование принципиальных технических решений для систем плавки гололеда на проводах и грозозащитных тросах (без встроенного оптического кабеля) воздушных линий электропередачи и воздушных участков кабельно-воздушных линий электропередачи от 6 до 500 кВ. Настоящий стандарт устанавливает требования к разработке оборудования для установок плавки гололеда, унификации процесса проектирования систем плавки гололеда в целях уменьшения затрат при проектировании, внедрении и эксплуатации систем плавки гололеда |
|
| Расположен в: |
|