| Обозначение: |  ГОСТ Р 59586-2021 |
| Статус: | заменён |
| Название рус.: | Аддитивные технологии. Образцы для испытаний. Оценка геометрических способностей систем аддитивного производства |
| Название англ.: | Additive technologies. Test artifacts. Geometric capability assessment of additive manufacturing systems |
| Дата актуализации текста: | 01.06.2022 |
| Дата актуализации описания: | 01.06.2025 |
| Дата издания: | 14.01.2022 |
| Дата введения: | 01.07.2022 |
| Дата окончания срока действия: | 31.03.2025 |
| Заменяющий: | ГОСТ Р 59586-2024 |
| Аутентичен стандартам: | ISO/ASTM 52902:2019 |
| Нормативные ссылки: | ISO/ASTM 52900;ISO/ASTM 52921;ASME B46.1 |
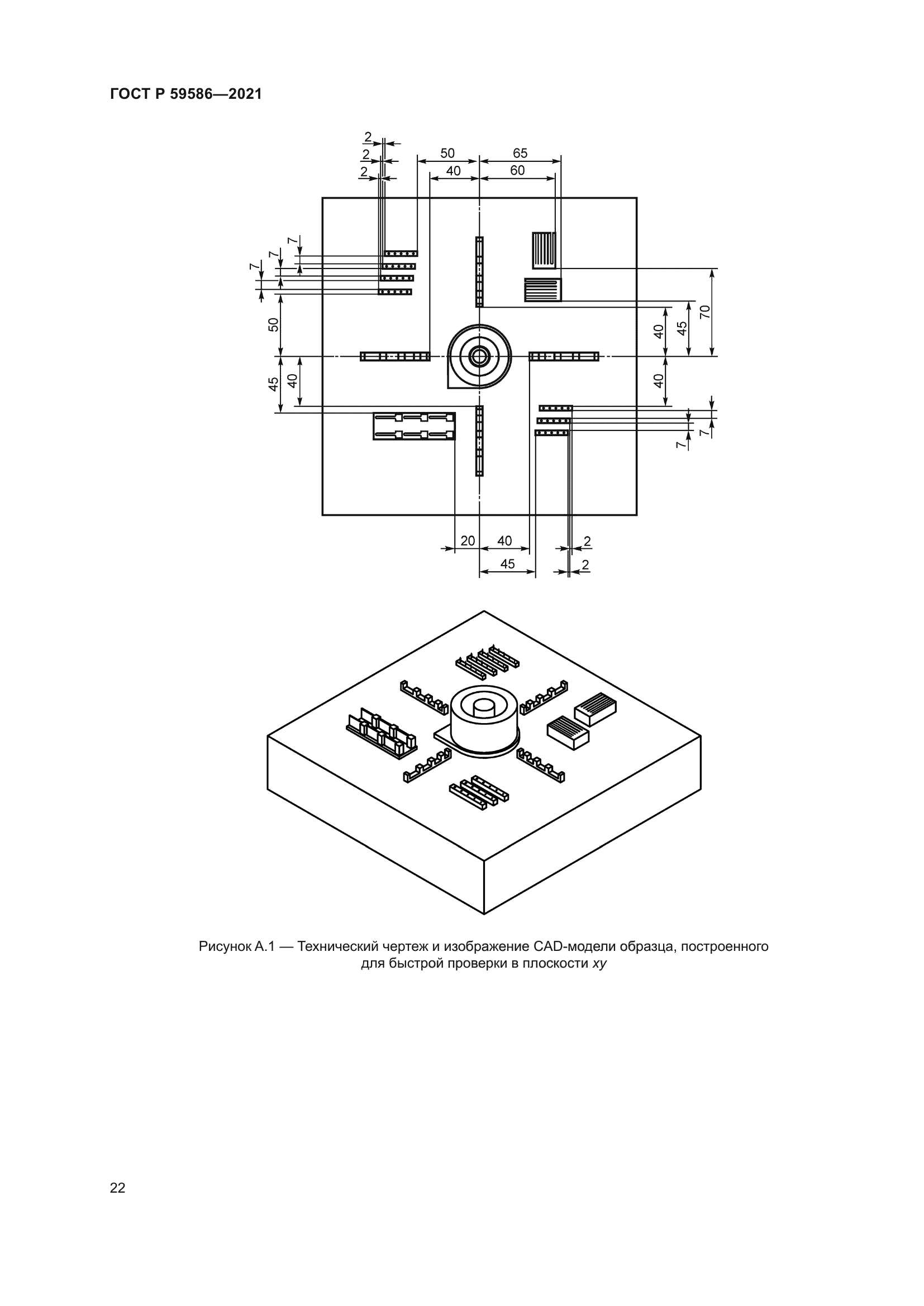
| Область применения: | Настоящий стандарт устанавливает общие положения оценки геометрических способностей систем аддитивного производства (далее – систем АП) при помощи количественного и качественного измерения эталонных геометрических форм, реализованных в синтезированных образцах для испытаний. Положения настоящего стандарта применимы для следующих целей: - оценки возможностей систем AП; - калибровки систем AП. Для количественной оценки геометрических способностей систем АП, как правило, используют образцы для испытаний установленной формы. Настоящий стандарт описывает набор геометрических форм, каждая из которых предназначена для оценки одной или нескольких конкретных характеристик, и содержит несколько примеров реализации данных геометрических форм в образце для испытаний |
|
| Расположен в: |
|