| ||||||||||||||||||||||||||||
Скачать ГОСТ Р 58921-2020 Система стандартов безопасности спортивного инвентаря. Спортивный инвентарь для защиты от падения с высоты. Веревки динамические. Общие технические требования. Методы испытанийДата актуализации: 01.06.2025
| ||||||||||||||||||||||||||||
| Обозначение: | ![]() ГОСТ Р 58921-2020 |
| Статус: | действующий |
| Название рус.: | Система стандартов безопасности спортивного инвентаря. Спортивный инвентарь для защиты от падения с высоты. Веревки динамические. Общие технические требования. Методы испытаний |
| Название англ.: | The system of sports equipment safety standards. Sports equipment for protection against falling from height. Dynamic ropes. General technical requirements. Test methods |
| Дата актуализации текста: | 01.06.2021 |
| Дата актуализации описания: | 01.07.2023 |
| Дата издания: | 28.07.2020 |
| Дата введения: | 01.04.2021 |
| Нормативные ссылки: | ГОСТ 166; ГОСТ 427; ГОСТ 7502; ГОСТ Р 53228; ГОСТ Р ИСО 139 |
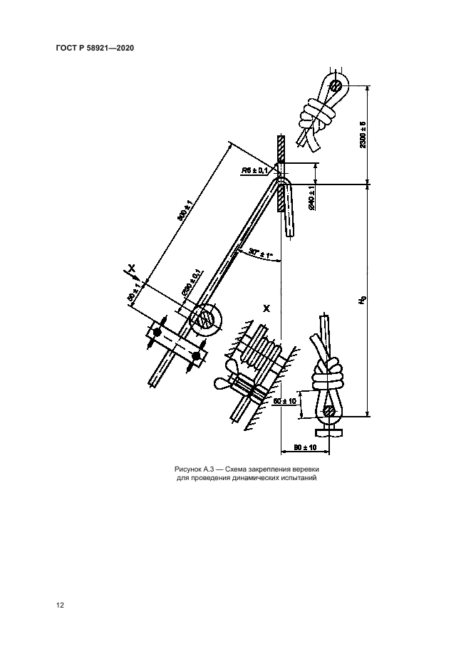
| Область применения: | Настоящий стандарт распространяется на динамические веревки, используемые при занятиях спортом и активной спортивной деятельностью, необходимые для обеспечения безопасности пользователя при возможном падении с высоты (например, в альпинизме, скалолазании, туризме, спелеологии, веревочных парках). Настоящий стандарт устанавливает требования к характеристикам, методам испытаний, маркировке и эксплуатационной документации |
| Расположен в: | |






















