Информационная система
«Ёшкин Кот»

Скачать базу одним архивом
Скачать обновления
История создания базы
Карта сайта

Скачать ГОСТ ISO 16523-1-2020 Система стандартов безопасности труда. Определение стойкости материалов к проникновению химических веществ. Часть 1. Проникновение потенциально опасных жидких химических веществ при непрерывном контакте

Дата актуализации: 01.06.2025

ГОСТ ISO 16523-1-2020

Система стандартов безопасности труда. Определение стойкости материалов к проникновению химических веществ. Часть 1. Проникновение потенциально опасных жидких химических веществ при непрерывном контакте

Обозначение: ГОСТ ISO 16523-1-2020
Статус:принят
Название рус.:Система стандартов безопасности труда. Определение стойкости материалов к проникновению химических веществ. Часть 1. Проникновение потенциально опасных жидких химических веществ при непрерывном контакте
Название англ.:Occupational safety standards system. Determination of material resistance to permeation by chemicals. Part 1. Permeation by otentially hazardous liquid chemicals under conditions of continuous contact
Дата актуализации текста:01.01.2021
Дата актуализации описания:01.01.2021
Дата регистрации:31.08.2020
Дата издания:13.11.2020
Дата введения:01.10.2021
Аутентичен стандартам:EN 16523-1:2015+A1:2018
Нормативные ссылки:EN ISO 374-1:2016
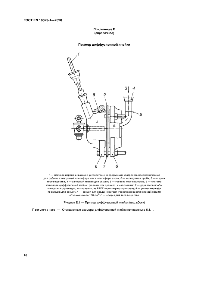
Область применения:Настоящий стандарт устанавливает метод испытания для определения стойкости материалов специальной защитной одежды, СИЗ рук и специальной обуви к проникновению потенциально опасных жидких химических веществ при непрерывном контакте. Данный метод испытания применим для оценки защиты от жидких химических веществ, которые можно определять только в жидкой или газообразной среде-носителе. Данный метод испытания не применим для оценки с использованием смесей химических веществ, за исключением водных растворов (A1:2018). Настоящий стандарт применяется совместно с требованиями, установленными в стандартах на СИЗ [например, с EN ISO 374-1:2016 (A1:2018) для защитных перчаток], которые содержат следующие положения: - предварительная подготовка испытуемых проб; - метод отбора проб (место отбора, размеры, число проб); - требования к показателю стойкости к проникновению
Расположен в:Государственные стандарты Общероссийский классификатор стандартов Охрана окружающей среды, защита человека от воздействия окружающей среды. Безопасность Защитные средства Защитная одежда Защитные средства для рук Защитные средства для ног
ГОСТ ISO 16523-1-2020ГОСТ ISO 16523-1-2020ГОСТ ISO 16523-1-2020ГОСТ ISO 16523-1-2020ГОСТ ISO 16523-1-2020ГОСТ ISO 16523-1-2020ГОСТ ISO 16523-1-2020ГОСТ ISO 16523-1-2020ГОСТ ISO 16523-1-2020ГОСТ ISO 16523-1-2020ГОСТ ISO 16523-1-2020ГОСТ ISO 16523-1-2020ГОСТ ISO 16523-1-2020ГОСТ ISO 16523-1-2020ГОСТ ISO 16523-1-2020ГОСТ ISO 16523-1-2020ГОСТ ISO 16523-1-2020ГОСТ ISO 16523-1-2020ГОСТ ISO 16523-1-2020ГОСТ ISO 16523-1-2020ГОСТ ISO 16523-1-2020ГОСТ ISO 16523-1-2020ГОСТ ISO 16523-1-2020ГОСТ ISO 16523-1-2020ГОСТ ISO 16523-1-2020ГОСТ ISO 16523-1-2020ГОСТ ISO 16523-1-2020

© 2013 Ёшкин Кот :-) Карта сайта