| ||||||||||||||||||||||||||||||||||||||||||||||||||
 Скачать ГОСТ 34680-2020 Краны грузоподъемные. Крюки кованые и штампованные. Технические требованияДата актуализации: 01.06.2025
 | ||||||||||||||||||||||||||||||||||||||||||||||||||
| Обозначение: | ![]()   ГОСТ 34680-2020 | 
| Статус: | действующий | 
| Название рус.: | Краны грузоподъемные. Крюки кованые и штампованные. Технические требования | 
| Название англ.: | Cranes. Forged and stamped hooks. Technical requirements | 
| Дата актуализации текста: | 01.12.2024 | 
| Дата актуализации описания: | 01.07.2023 | 
| Дата регистрации: | 30.09.2020 | 
| Дата издания: | 07.06.2021 | 
| Дата введения: | 01.06.2021 | 
| Взамен: |  ГОСТ 2105-75; ГОСТ 6627-74; ГОСТ 6628-73 | 
| Нормативные ссылки: |  ГОСТ 9.032; ГОСТ 12.4.026; ГОСТ 1050; ГОСТ 1497; ГОСТ 2789; ГОСТ 4543; ГОСТ 7505; ГОСТ 8479; ГОСТ 9012; ГОСТ 9454; ГОСТ 9562; ГОСТ 14034; ГОСТ 15150; ГОСТ 16093; ГОСТ 19281; ГОСТ 21014; ГОСТ 24297; ГОСТ 25347; ГОСТ 33709.1; ГОСТ 34017 | 
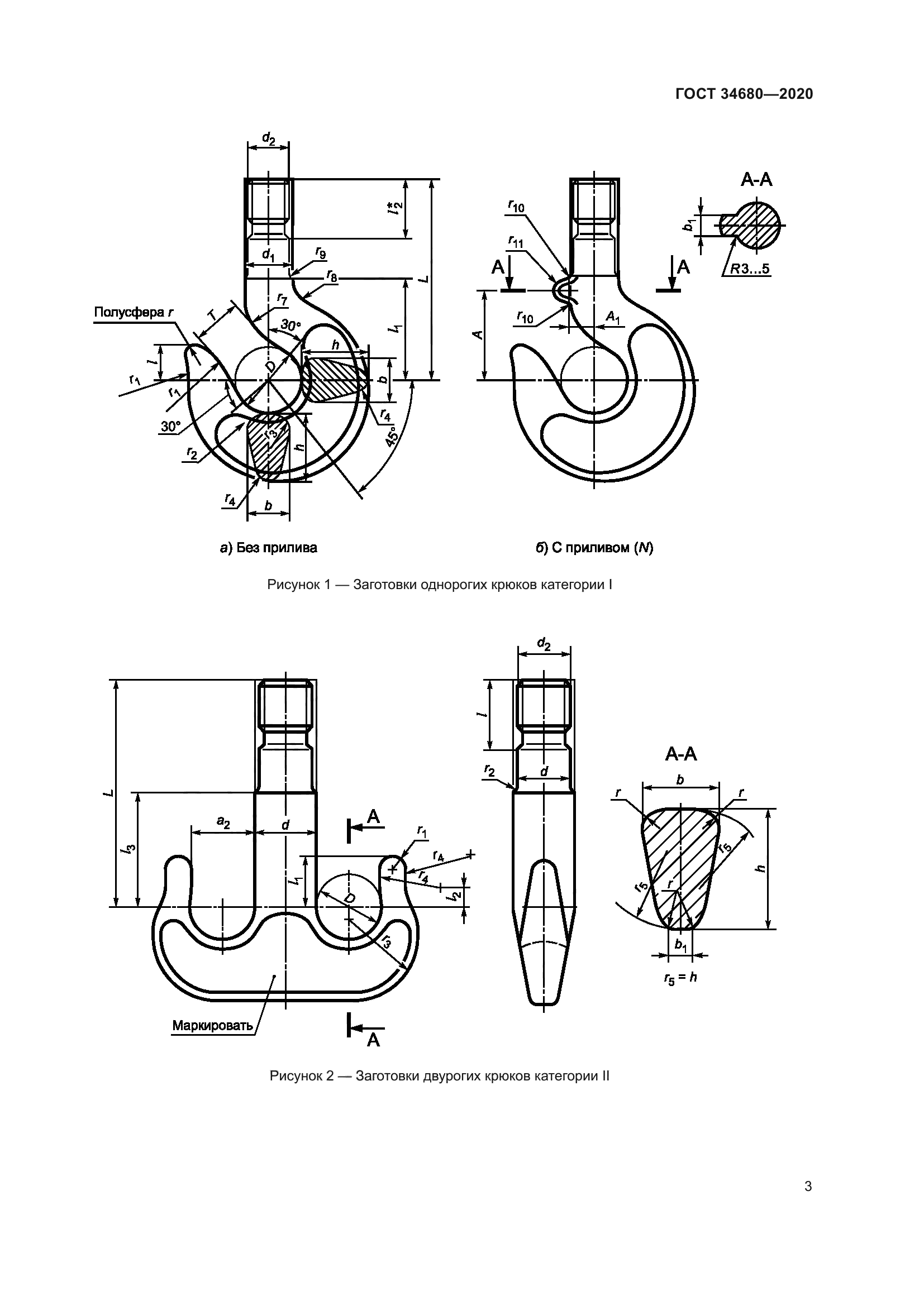
| Область применения: | Настоящий стандарт устанавливает технические требования к однорогим и двурогим крюкам, применяемым в грузоподъемных кранах и других подъемных механизмах, а также методы их контроля. Настоящий стандарт не распространяется на крюки для судостроения и крюки специального назначения | 
| Приложение №1: | Поправка к ГОСТ 34680-2020 | 
| Приложение №2: | Поправка к ГОСТ 34680-2020 | 
| Приложение №3: | Поправка к ГОСТ 34680-2020 | 
| Расположен в: | |







































| Обозначение: | Поправка к ГОСТ 34680-2020 | 
| Дата введения: | 25.01.2022 | 

| Обозначение: | Поправка к ГОСТ 34680-2020 | 
| Дата введения: | 24.03.2022 | 

| Обозначение: | Поправка к ГОСТ 34680-2020 | 
| Дата введения: | 18.09.2024 | 
