| Обозначение: |  ГОСТ Р 58669-2019 |
| Статус: | действующий |
| Название рус.: | Единая энергетическая система и изолированно работающие энергосистемы. Релейная защита. Трансформаторы тока измерительные индуктивные с замкнутым магнитопроводом для защиты. Методические указания по определению времени до насыщения при коротких замыканиях |
| Название англ.: | United power system and isolated power systems. Relay protection. Inductive measuring current transformers for protection with a closed magnetic circuit. Methodology guidelines for determination of time to saturation during short circuits |
| Дата актуализации текста: | 01.01.2021 |
| Дата актуализации описания: | 01.07.2023 |
| Дата издания: | 16.01.2020 |
| Дата введения: | 01.01.2020 |
| Нормативные ссылки: | ГОСТ 15150; ГОСТ 18685; ГОСТ 19693; ГОСТ 22483; ГОСТ 26522; ГОСТ Р 52735 |
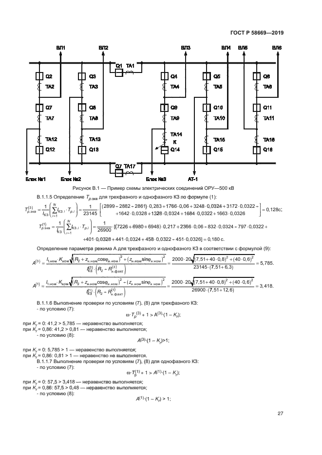
| Область применения: | Настоящий стандарт устанавливает методы расчета времени до насыщения измерительных индуктивных трансформаторов тока для защиты с замкнутым магнитопроводом при коротких замыканиях (классов точности P, PX и ТРХ), определяет исходные данные, необходимые для применения каждого из методов, устанавливает требования по подготовке к проведению расчетов времени до насыщения измерительных индуктивных трансформаторов тока и порядок выполнения указанных расчетов с использованием каждого из установленных методов. Настоящий стандарт предназначен для применения собственниками и иными законными владельцами объектов электроэнергетики, субъектами оперативно-диспетчерского управления в электроэнергетике, проектными организациями, организациями, осуществляющими создание новых или модернизацию существующих устройств релейной защиты |
| Приложение №1: | Поправка к ГОСТ Р 58669-2019 |
|
| Расположен в: |
|