Информационная система
«Ёшкин Кот»

Скачать базу одним архивом
Скачать обновления
История создания базы
Карта сайта

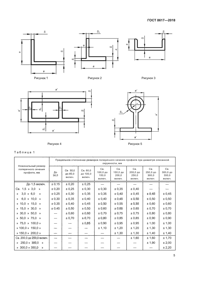
Скачать ГОСТ 8617-2018 Профили прессованные из алюминия и алюминиевых сплавов. Технические условия

Дата актуализации: 01.06.2025

ГОСТ 8617-2018

Профили прессованные из алюминия и алюминиевых сплавов. Технические условия

Обозначение: ГОСТ 8617-2018
Статус:действующий
Название рус.:Профили прессованные из алюминия и алюминиевых сплавов. Технические условия
Название англ.:Pressed sections of aluminium and aluminium alloys. Specifications
Дата актуализации текста:01.06.2021
Дата актуализации описания:01.06.2025
Дата регистрации:30.04.2018
Дата издания:03.04.2019
Дата введения:01.03.2019
Дата окончания срока действия:01.08.2025
Взамен:ГОСТ 8617-81
Заменяющий:ГОСТ 8617-2025
Нормативные ссылки:ГОСТ 9.510-93;ГОСТ 10-88;ГОСТ 166-89;ГОСТ 427-75;ГОСТ 1131-76;ГОСТ 1497-84;ГОСТ 3221-85;ГОСТ 3749-77;ГОСТ 4381-87;ГОСТ 4784-97;ГОСТ 5009-82;ГОСТ 6456-82;ГОСТ 6507-90;ГОСТ 7229-76;ГОСТ 7502-98;ГОСТ 7727-81;ГОСТ 11069-2001;ГОСТ 11739.1-90;ГОСТ 11739.2-90;ГОСТ 11739.3-99;ГОСТ 11739.4-90;ГОСТ 11739.5-90;ГОСТ 11739.6-99;ГОСТ 11739.7-99;ГОСТ 11739.8-90;ГОСТ 11739.9-90;ГОСТ 11739.10-90;ГОСТ 11739.11-98;ГОСТ 11739.12-98;ГОСТ 11739.13-98;ГОСТ 11739.14-99;ГОСТ 11739.15-99;ГОСТ 11739.16-90;ГОСТ 11739.17-90;ГОСТ 11739.18-90;ГОСТ 11739.19-90;ГОСТ 11739.20-99;ГОСТ 11739.21-90;ГОСТ 11739.22-90;ГОСТ 11739.23-99;ГОСТ 11739.24-98;ГОСТ 11739.25-90;ГОСТ 11739.26-90;ГОСТ 12697.1-77;ГОСТ 12697.2-77;ГОСТ 12697.3-77;ГОСТ 12697.4-77;ГОСТ 12697.5-77;ГОСТ 12697.6-77;ГОСТ 12697.7-77;ГОСТ 12697.8-77;ГОСТ 12697.9-77;ГОСТ 12697.10-77;ГОСТ 12697.11-77;ГОСТ 12697.12-77;ГОСТ 12697.13-90;ГОСТ 12697.14-90;ГОСТ 13616-97;ГОСТ 13617-97;ГОСТ 13618-97;ГОСТ 13619-97;ГОСТ 13620-90;ГОСТ 13621-90;ГОСТ 13622-91;ГОСТ 13623-90;ГОСТ 13624-90;ГОСТ 13737-90;ГОСТ 13738-91;ГОСТ 14192-96;ГОСТ 16504-81;ГОСТ 17575-90;ГОСТ 17576-97;ГОСТ 19300-86;ГОСТ 24047-80;ГОСТ 24231-80;ГОСТ 24642-81;ГОСТ 25086-2011;ГОСТ 25346-2013;ГОСТ 26877-2008;ГОСТ 27637-88;ГОСТ 29296-92;ГОСТ 29303-92;ГОСТ Р 53442-2015
Область применения:Настоящий стандарт распространяется на прессованные профили из алюминия и алюминиевых сплавов, предназначенные для нужд народного хозяйства и для экспорта
Приложение №1:Поправка к ГОСТ 8617-2018
Расположен в:Государственные стандарты Общероссийский классификатор стандартов Металлургия Продукция из цветных металлов Продукция из алюминия Классификатор государственных стандартов Металлы и металлические изделия Цветные металлы и их сплавы. Прокат из цветных металлов Сортовой и фасонный прокат
ГОСТ 8617-2018ГОСТ 8617-2018ГОСТ 8617-2018ГОСТ 8617-2018ГОСТ 8617-2018ГОСТ 8617-2018ГОСТ 8617-2018ГОСТ 8617-2018ГОСТ 8617-2018ГОСТ 8617-2018ГОСТ 8617-2018ГОСТ 8617-2018ГОСТ 8617-2018ГОСТ 8617-2018ГОСТ 8617-2018ГОСТ 8617-2018ГОСТ 8617-2018ГОСТ 8617-2018ГОСТ 8617-2018ГОСТ 8617-2018ГОСТ 8617-2018ГОСТ 8617-2018ГОСТ 8617-2018ГОСТ 8617-2018

Поправка к ГОСТ 8617-2018

Обозначение:Поправка к ГОСТ 8617-2018
Дата введения:15.03.2021


Поправка к ГОСТ 8617-2018

© 2013 Ёшкин Кот :-) Карта сайта