| Обозначение: |  ГОСТ EN 1186-1-2015 |
| Статус: | действующий |
| Название рус.: | Материалы и изделия, контактирующие с пищевыми продуктами. Пластмассы. Часть 1. Руководство по выбору условий и методов испытания общей миграции |
| Дата актуализации текста: | 01.01.2018 |
| Дата актуализации описания: | 01.07.2023 |
| Дата регистрации: | 18.06.2015 |
| Дата издания: | 08.10.2015 |
| Дата введения: | 01.06.2016 |
| Аутентичен стандартам: | EN 1186-1:2002 |
| Нормативные ссылки: | EN 1186:2002;EN 1186-10;EN 1186-13;EN 1186-14 |
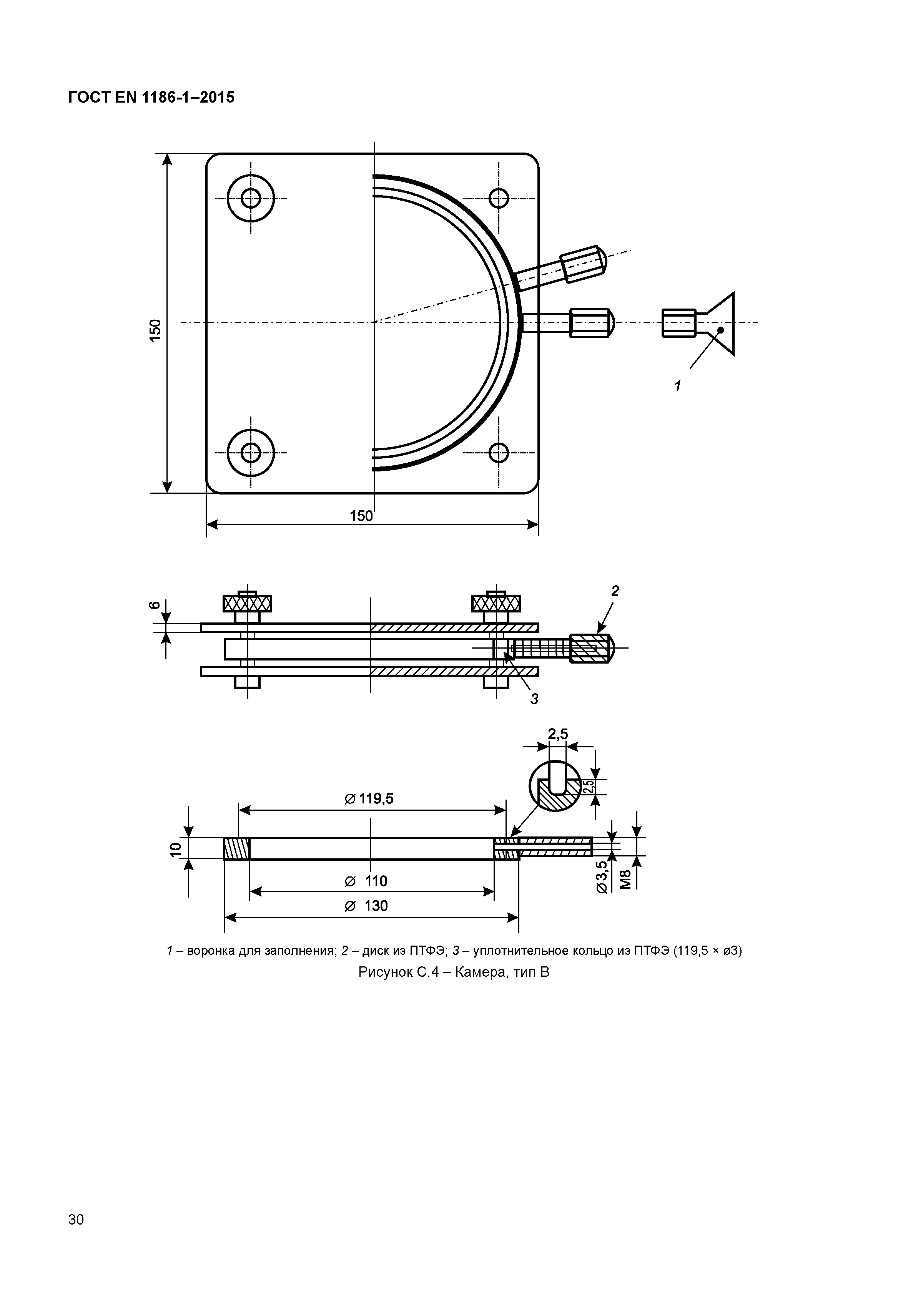
| Область применения: | Настоящий стандарт является руководством по выбору оптимальных условий и методов испытаний для определения общей миграции из контактирующих с пищевыми продуктами пластмасс в имитаторы пищевых продуктов и модельные среды |
|
| Расположен в: |
|