| Обозначение: |  ГОСТ Р 60.3.4.1-2017 |
| Статус: | действующий |
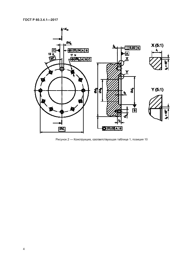
| Название рус.: | Роботы и робототехнические устройства. Промышленные манипуляционные роботы. Механические интерфейсы. Круглые фланцы |
| Название англ.: | Robots and robotic devices. Manipulating industrial robots. Mechanical interfaces. Plates |
| Дата актуализации текста: | 01.01.2021 |
| Дата актуализации описания: | 01.07.2023 |
| Дата издания: | 23.10.2020 |
| Дата введения: | 01.07.2018 |
| Код ОКП: | 388600 |
| Аутентичен стандартам: | ISO 9409-1:2004 |
| Нормативные ссылки: | ISO 261:1998;ISO 286-1:2010;ISO 286-2:2010;ISO 1101:2012;ISO 8373:2012;ISO 9787:2013 |
| Область применения: | Настоящий стандарт устанавливает основные размеры, назначение и маркировку круглых фланцев, используемых в качестве механического интерфейса для промышленных манипуляционных роботов. Данный механический интерфейс предназначен для обеспечения однозначности установки и взаимозаменяемости рабочих органов при их ручном монтаже на промышленные манипуляционные роботы. Настоящий стандарт не устанавливает другие требования к механическому интерфейсу, предназначенному для установки рабочего органа робота. Настоящий стандарт не имеет никакой взаимосвязи с диапазонами грузоподъемности робота, так как предполагается, что подходящий механический интерфейс должен быть выбран в зависимости от области применения и грузоподъемности робота. Механические интерфейсы, определенные в настоящем стандарте, могут также найти применение в транспортно-загрузочных устройствах, которые не подпадают под определение промышленных манипуляционных роботов, таких как перегружатели или копирующие устройства |
| Список изменений: | №0 от 22.05.2018 (рег. 22.05.2018) «Дата введения перенесена» |
| Приложение №1: | Поправка к ГОСТ Р 60.3.4.1-2017 |
|
| Расположен в: |
|