| Обозначение: |  ГОСТ Р 57904-2017 |
| Статус: | действующий |
| Название рус.: | Двигатели дизельные. Монтажные фланцы для насосов. Часть 1. Топливные насосы высокого давления |
| Название англ.: | Diesel engines. End-mounting flanges for pumps. Part 1. Fuel injection pumps |
| Дата актуализации текста: | 01.01.2018 |
| Дата актуализации описания: | 01.01.2021 |
| Дата издания: | 27.11.2017 |
| Дата введения: | 01.07.2018 |
| Содержит требования: | ISO 7299-1:2007 |
| Нормативные ссылки: | ГОСТ 15060-95 |
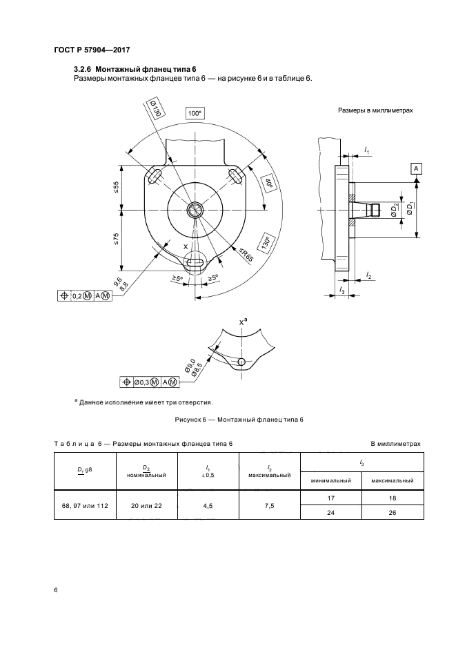
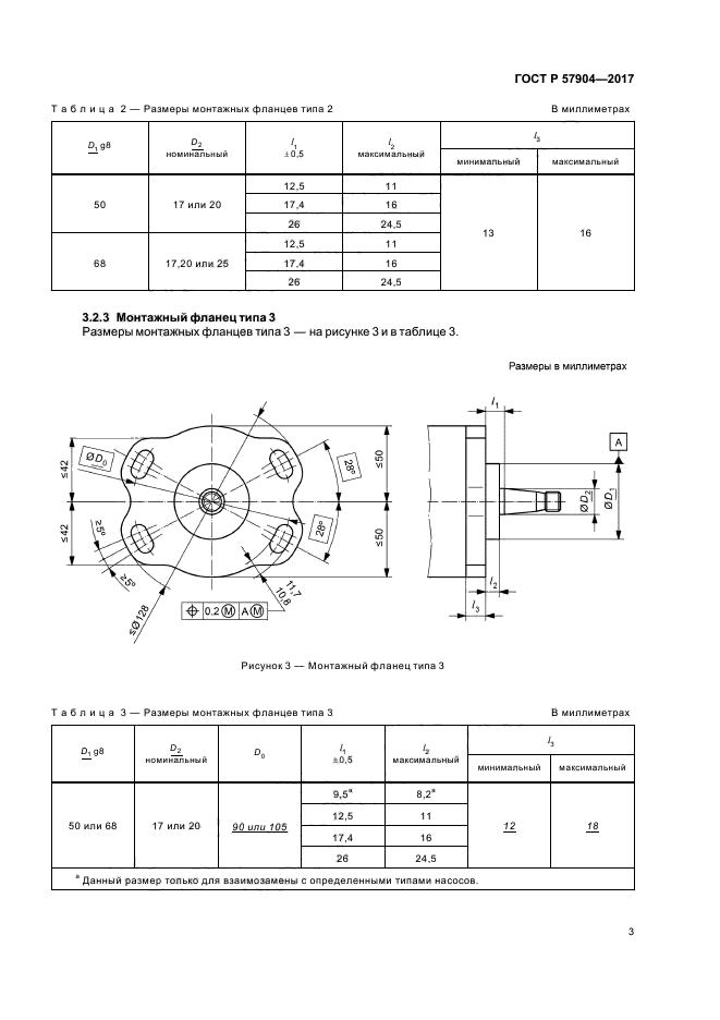
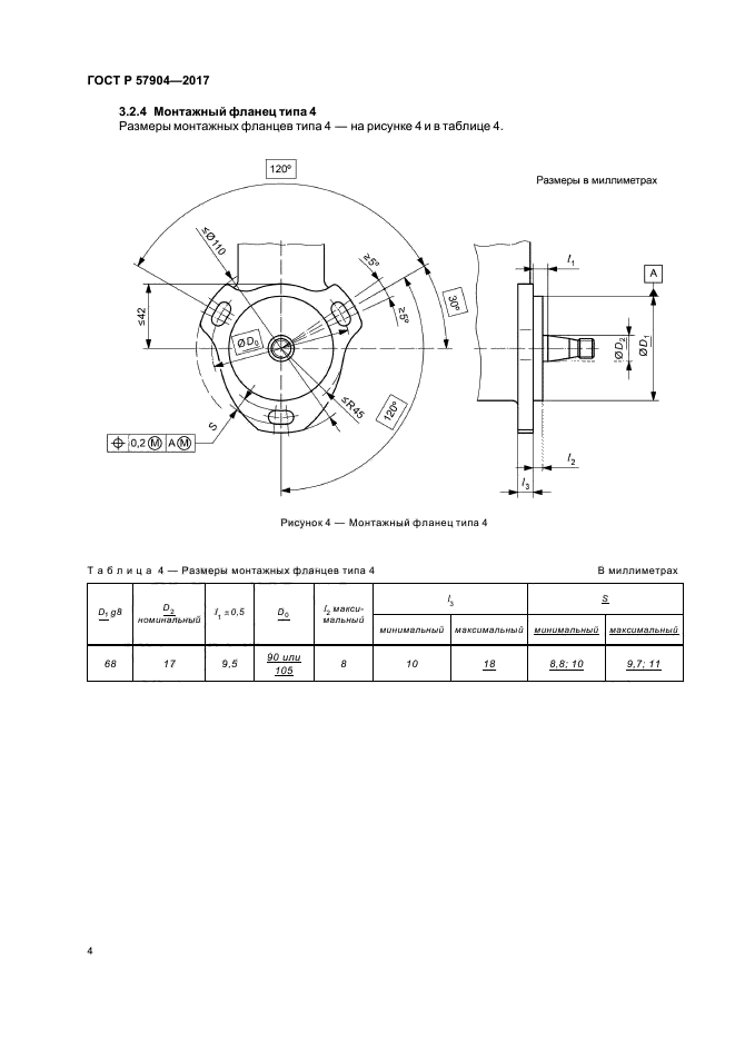
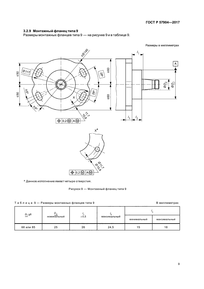
| Область применения: | Настоящий стандарт устанавливает требования к размерам монтажных фланцев роторных, распределительных и рядных топливных насосов высокого давления дизельных двигателей |
|
| Расположен в: |
|