Информационная система
«Ёшкин Кот»

Скачать базу одним архивом
Скачать обновления
История создания базы
Карта сайта

Скачать ГОСТ Р 57860-2017 Композиты полимерные. Определение прочности при сдвиге методом пробоя

Дата актуализации: 01.06.2025

ГОСТ Р 57860-2017

Композиты полимерные. Определение прочности при сдвиге методом пробоя

Обозначение: ГОСТ Р 57860-2017
Статус:действующий
Название рус.:Композиты полимерные. Определение прочности при сдвиге методом пробоя
Название англ.:Polymer composites. Determination of shear strength by punch tool method
Дата актуализации текста:01.01.2018
Дата актуализации описания:01.07.2023
Дата издания:14.11.2017
Дата введения:01.06.2018
Нормативные ссылки:ГОСТ 6507;ГОСТ 12423-2013;ГОСТ 14359;ГОСТ 28840;ГОСТ 32794
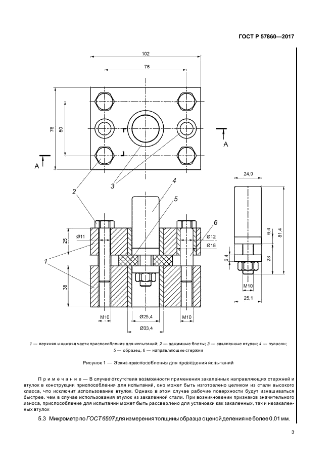
Область применения:Настоящий стандарт распространяется на полимерные композиты толщиной от 1,3 до 13,0 мм, и устанавливает метод определения прочности при сдвиге при продавливании пуансоном. Настоящий метод применим к следующим материалам: - жестким и полужестким термопластичным материалам для формования и экструзии, включая полимерные композиты, армированные короткими волокнами, небольшими стержнями, пластинами или гранулами; листы из жестких и полужестких термопластичных материалов; - жестким и полужестким термореактивным формовочным материалам, включая армированные полимерные композиты, листы из жестких и полужестких термореактивных материалов. Метод, установленный настоящим стандартом, не распространяется на слоистые полимерные композиты, жесткие ячеистые материалы, и многослойные структуры, содержащие ячеистые материалы или резину
Расположен в:Государственные стандарты Общероссийский классификатор стандартов Резиновая, резинотехническая, асбесто-техничекая и пластмассовая промышленность Армированные пластмассы Классификатор государственных стандартов Химические продукты и резиноасбестовые изделия Органические химические продукты Методы испытаний. Упаковка. Маркировка
ГОСТ Р 57860-2017ГОСТ Р 57860-2017ГОСТ Р 57860-2017ГОСТ Р 57860-2017ГОСТ Р 57860-2017ГОСТ Р 57860-2017ГОСТ Р 57860-2017ГОСТ Р 57860-2017ГОСТ Р 57860-2017ГОСТ Р 57860-2017ГОСТ Р 57860-2017ГОСТ Р 57860-2017ГОСТ Р 57860-2017ГОСТ Р 57860-2017ГОСТ Р 57860-2017ГОСТ Р 57860-2017

© 2013 Ёшкин Кот :-) Карта сайта