| Обозначение: |    ГОСТ ISO 16198-2017 | 
| Статус: | действующий | 
| Название рус.: | Качество почв. Метод определения биодоступности микроэлементов почвы для растений | 
| Название англ.: | Soil quality. Plant-based test to assess the environmental bioavailability of trace elements to plants | 
| Дата актуализации текста: | 01.01.2021 | 
| Дата актуализации описания: | 01.07.2023 | 
| Дата регистрации: | 30.08.2017 | 
| Дата издания: | 15.07.2019 | 
| Дата введения: | 01.01.2019 | 
| Аутентичен стандартам: | ISO 16198:2015 | 
| Нормативные ссылки: | ISO 3696:1987;ISO 10390:2005;ISO 10694:1995;ISO 11269-2:2012;ISO 11277:2009;ISO 11465:1993 | 
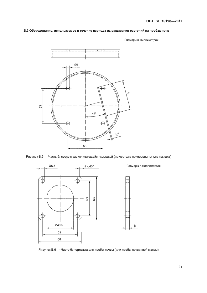
| Область применения: | Настоящий стандарт устанавливает метод определения интенсивности биодоступности микроэлементов для растений или концентраций микроэлементов в побегах и корневой системе растений. Биотест состоит из двух последовательных стадий: 1) предварительное выращивание растений на питательных растворах; 2) выращивание растений на пробах почв. Концентрацию микроэлементов в побегах и корневой системе растений и интенсивность биодоступность для растений микроэлементов определяют при завершении второй стадии биотеста | 
 | 
| Расположен в: | 
  |