| Обозначение: |  ГОСТ Р 57733-2017 |
| Статус: | действующий |
| Название рус.: | Композиты полимерные. Метод определения характеристик при сдвиге в плоскости армирования образцов, изготовленных намоткой |
| Название англ.: | Polymer composites. Test method for determination of inplane shear properties of hoop wound samples |
| Дата актуализации текста: | 01.01.2018 |
| Дата актуализации описания: | 01.07.2023 |
| Дата издания: | 24.10.2017 |
| Дата введения: | 01.02.2018 |
| Содержит требования: | ASTM D5448/D5448 M-11 |
| Нормативные ссылки: | ГОСТ 6507; ГОСТ 14359-69; ГОСТ 21616; ГОСТ 32794; ГОСТ Р 56762 |
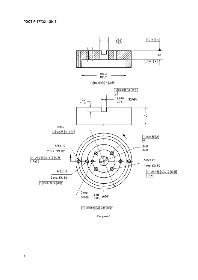
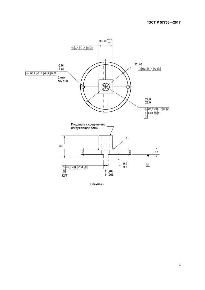
| Область применения: | Настоящий стандарт распространяется на полимерные композиты, изготовленные намоткой под углом 90° высокомодульных непрерывных волокон, предварительно пропитанных термореактивной смолой, и устанавливает метод определения характеристик при сдвиге в плоскости армирования |
|
| Расположен в: |
|