| Обозначение: |  ГОСТ Р 57584-2017 |
| Статус: | действующий |
| Название рус.: | Материалы текстильные. Методы испытаний нетканых материалов. Часть 13. Определение времени повторного проникания жидкости |
| Название англ.: | Textile. Test methods for nonwovens. Part 13. Determination of repeated liquid strike-through time |
| Дата актуализации текста: | 01.01.2021 |
| Дата актуализации описания: | 01.07.2023 |
| Дата издания: | 21.08.2017 |
| Дата введения: | 01.06.2018 |
| Содержит требования: | ISO 9073-13:2006 |
| Нормативные ссылки: | ГОСТ 13587-77; ГОСТ Р 54872-2011 |
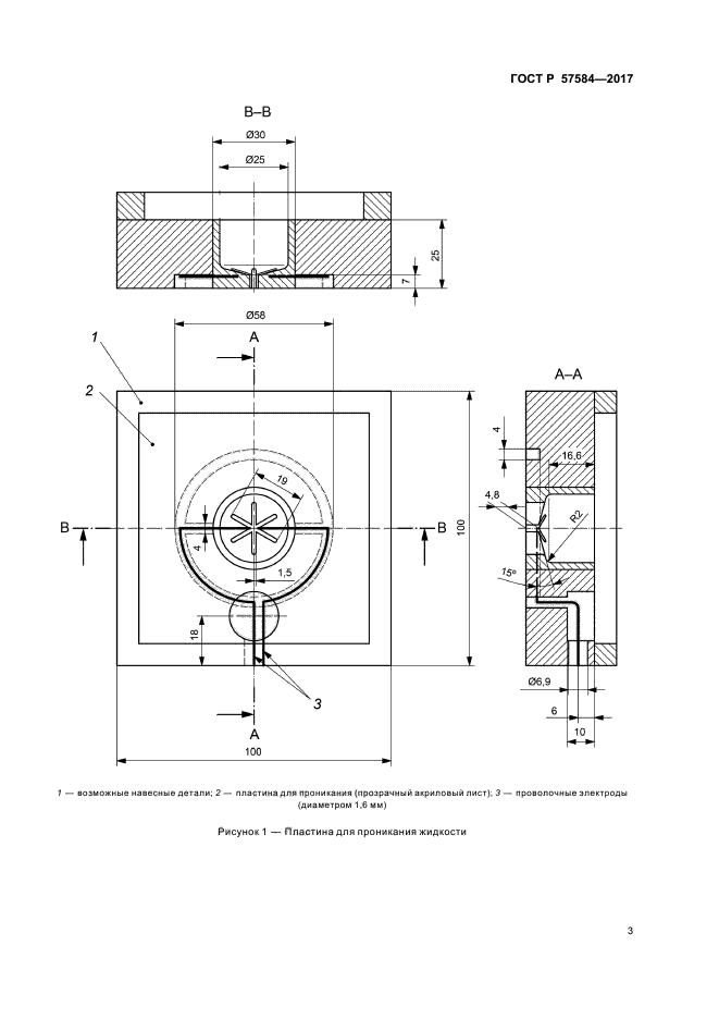
| Область применения: | Настоящий стандарт устанавливает метод испытания для определения времени проникания (strike-through time - STT) каждой из трех последовательных порций жидкости (имитированная моча) сквозь поверхность образца покрытия из нетканого материала. STT определяют как время, необходимое для проникания заданного объема жидкости через нетканый материал, контактирующий с лежащей под ним сухой эталонной абсорбирующей прокладкой. Данный метод предназначен для контроля качества и сравнения STT для различных покрытий из нетканых материалов. Этот метод не имитирует реальные условия для готовых изделий |
|
| Расположен в: |
|