| Обозначение: |  ГОСТ Р 57439-2017 |
| Статус: | действующий |
| Название рус.: | Приборы полупроводниковые. Основные размеры |
| Название англ.: | Semiconductor devices. Basic dimensions |
| Дата актуализации текста: | 01.01.2021 |
| Дата актуализации описания: | 01.07.2023 |
| Дата издания: | 03.05.2017 |
| Дата введения: | 01.08.2017 |
| Нормативные ссылки: | ГОСТ 15133; ГОСТ Р 50044; ГОСТ Р 54844 |
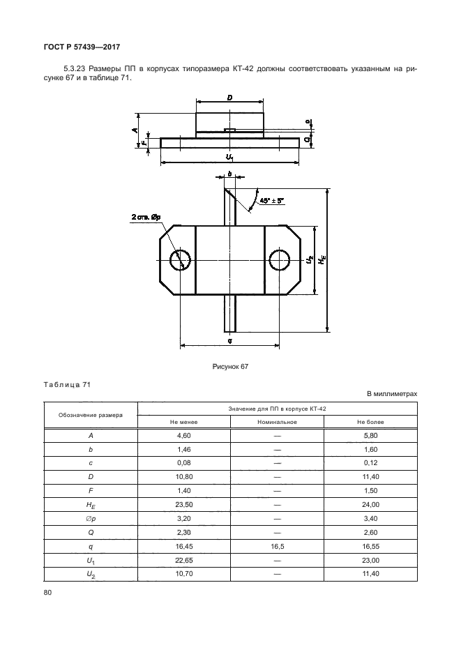
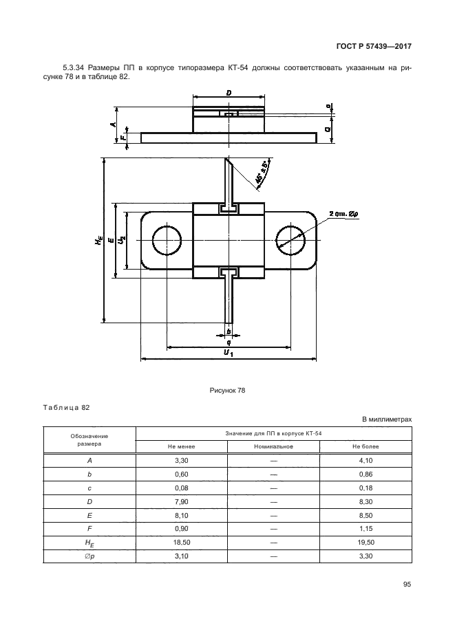
| Область применения: | Настоящий стандарт распространяется на приборы полупроводниковые в корпусах и устанавливает их основные габаритные, установочные и присоединительные размеры |
|
| Расположен в: |
|