| Обозначение: |  ГОСТ Р ИСО 23771-2015 |
| Статус: | действующий |
| Название рус.: | Оборудование текстильное. Руководство по проектированию малошумных текстильных машин |
| Название англ.: | Textile machinery. Guide to the design of noise-reduced textile machinery |
| Дата актуализации текста: | 10.06.2020 |
| Дата актуализации описания: | 01.07.2023 |
| Дата издания: | 29.11.2019 |
| Дата введения: | 01.12.2016 |
| Аутентичен стандартам: | ISO 23771:2015 |
| Нормативные ссылки: | ISO 9902;ISO/TR 11688-1;ISO/TR 11688-2;ISO 11689;ISO 12100 |
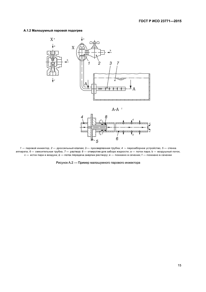
| Область применения: | В настоящем стандарте приведены сведения по проектированию малошумного текстильного оборудования. Текстильные машины, представляющие опасность по шумовому воздействию, определены в [1]. Стандарт предназначен для конструкторов малошумного текстильного оборудования. Рассмотрены элементы машин, являющиеся основными источниками шума, и соответствующие меры по защите от шума |
| Список изменений: | №0 от 22.08.2016 (рег. 22.08.2016) «Дата введения перенесена» |
| Приложение №1: | Поправка к ГОСТ Р ИСО 23771-2015 |
|
| Расположен в: |
|