| Обозначение: |  ГОСТ 9330-2016 |
| Статус: | действующий |
| Название рус.: | Основные соединения деталей из древесины и древесных материалов. Типы и размеры |
| Дата актуализации текста: | 01.12.2016 |
| Дата актуализации описания: | 01.07.2023 |
| Дата регистрации: | 29.03.2016 |
| Дата издания: | 12.08.2016 |
| Дата введения: | 01.03.2017 |
| Взамен: | ГОСТ 9330-76 |
| Нормативные ссылки: | ГОСТ 6449.1-82; ГОСТ 6449.3-82; ГОСТ 15613.5-79; ГОСТ 19414-90; ГОСТ 23166-99; ГОСТ 32304-2013; ГОСТ 33120-2014 |
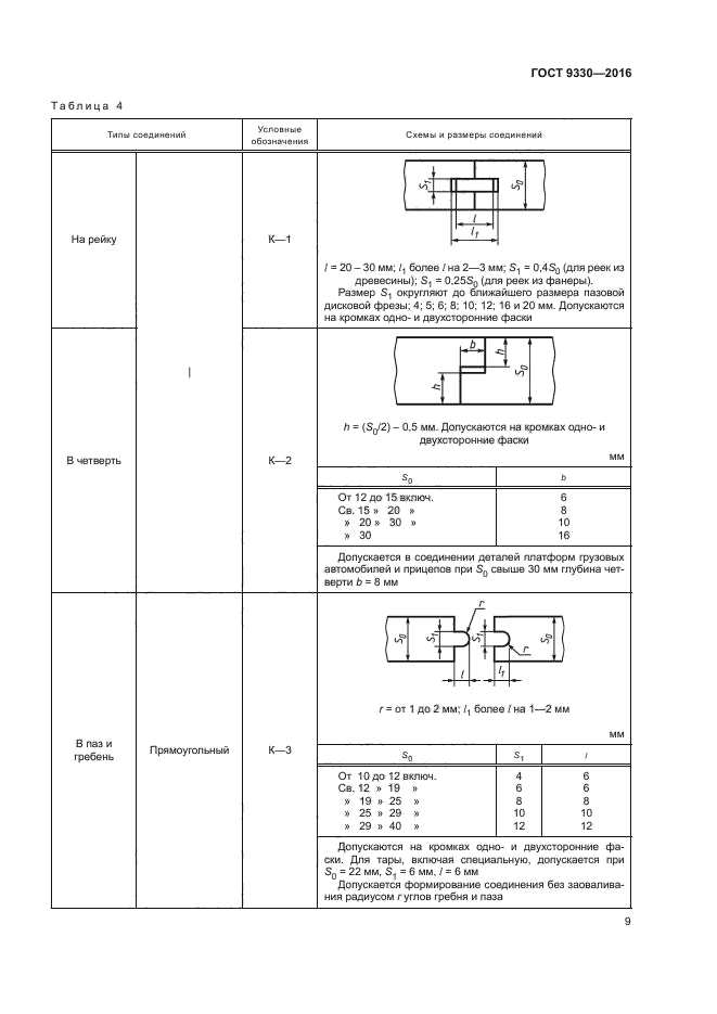
| Область применения: | Настоящий стандарт распространяется на основные шиповые соединения деталей из древесины и древесных материалов и устанавливает их типы и размеры |
|
| Расположен в: |
|