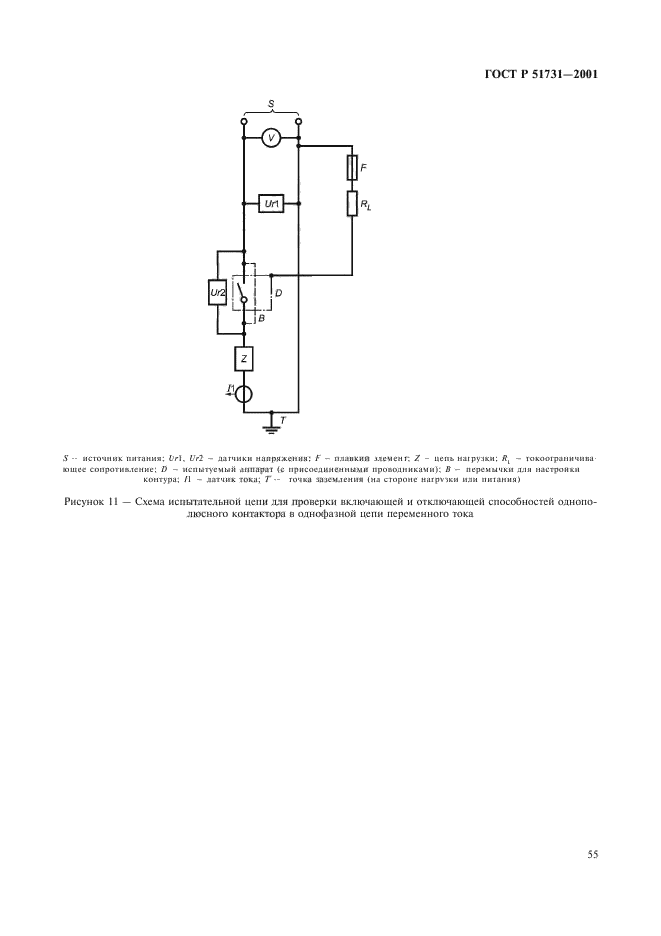
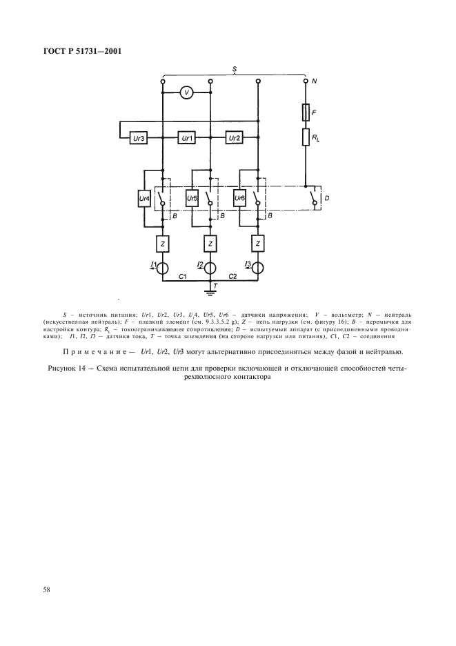
| ||||||||||||||||||||||||||||||||||||
Скачать ГОСТ Р 51731-2001 Контакторы электромеханические бытового и аналогичного назначенияДата актуализации: 01.06.2025
| ||||||||||||||||||||||||||||||||||||
| Обозначение: | ![]() ГОСТ Р 51731-2001 |
| Статус: | заменён |
| Название рус.: | Контакторы электромеханические бытового и аналогичного назначения |
| Название англ.: | Electromechanical contactors for hausehold and similar purposes |
| Дата актуализации текста: | 06.04.2015 |
| Дата актуализации описания: | 01.07.2023 |
| Дата издания: | 14.08.2001 |
| Дата введения: | 01.01.2002 |
| Дата окончания срока действия: | 01.01.2012 |
| Код ОКП: | 342200 |
| Заменяющий: | ГОСТ Р 51731-2010 |
| Содержит требования: | IEC 61095(1992) |
| Нормативные ссылки: | ГОСТ 9.005-72; ГОСТ 12.2.007.0-75; ГОСТ 12.2.007.6-75; ГОСТ 11478-88; ГОСТ 14254-96; ГОСТ 15150-69; ГОСТ 15543.1-89; ГОСТ 16357-83; ГОСТ 16504-81; ГОСТ 16962.1-89; ГОСТ 16962.2-90; ГОСТ 17516.1-90; ГОСТ 18620-86; ГОСТ 21991-89; ГОСТ 22789-94; ГОСТ 23216-78; ГОСТ 24622-91; ГОСТ 24753-81; ГОСТ 27473-89; ГОСТ 27483-87; ГОСТ 28312-89; ГОСТ 28779-90; ГОСТ 29149-91; ГОСТ 30011.4.1-96; ГОСТ Р 15.201-2000; ГОСТ Р 50030.1-92; ГОСТ Р 50030.5.1-99; ГОСТ Р 50571.19-2000 |
| Область применения: | Настоящий стандарт распространяется на контакторы с воздушным зазором между контактами бытового и аналогичного назначения для цепей номинальным напряжением не более 440 В переменного тока и номинальным током не более 63 А для категории применения АС-7a, 32 А - для категории применения АС-7b и значением номинального тока короткого замыкания не более 6 кА. Стандарт не распространяется на:- контакторы, исполненные по ГОСТ 30011.4.1;- полупроводниковые контакторы;- контакторы специального назначения;- вспомогательные контакты контакторов |
| Расположен в: | |
















































































