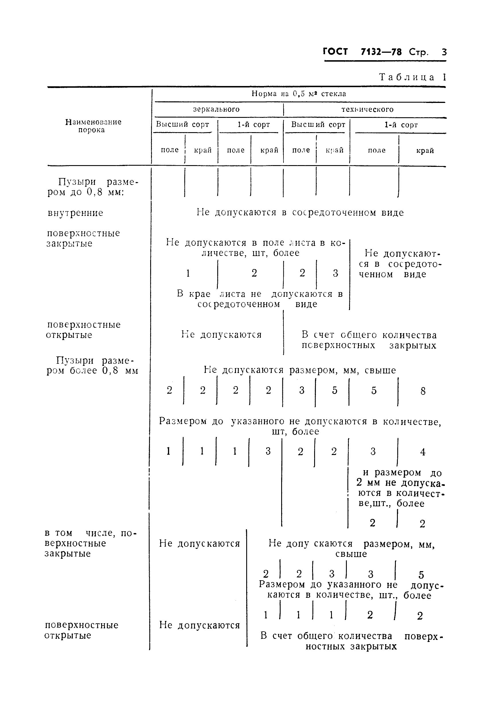
Скачать ГОСТ 7132-78 Стекло листовое термически полированное. Технические условияДата актуализации: 01.06.2025 ГОСТ 7132-78
Стекло листовое термически полированное. Технические условия
| Обозначение: |  ГОСТ 7132-78 |
| Статус: | не действует в РФ |
| Название рус.: | Стекло листовое термически полированное. Технические условия | | Дата актуализации текста: | 06.04.2015 | | Дата актуализации описания: | 01.06.2019 | | Дата введения: | 01.07.1979 | |
| Расположен в: |
|
               
|