| Обозначение: |    ГОСТ ISO 16063-41-2014 | 
| Статус: | действующий | 
| Название рус.: | Вибрация. Методы калибровки датчиков вибрации и удара. Часть 41. Калибровка лазерных виброметров | 
| Название англ.: | Mechanical vibration. Methods for the calibration of vibration and shock transducers. Part 41. Calibration of laser vibrometers | 
| Дата актуализации текста: | 01.01.2021 | 
| Дата актуализации описания: | 01.07.2023 | 
| Дата регистрации: | 14.11.2014 | 
| Дата издания: | 28.05.2019 | 
| Дата введения: | 01.11.2015 | 
| Аутентичен стандартам: | ISO 16063-41:2011 | 
| Нормативные ссылки: | ISO 266;ISO 5348;ISO 16063-1:1998;ISO 16063-11:1999;ISO 16063-21;ISO/IEC Guide 99 | 
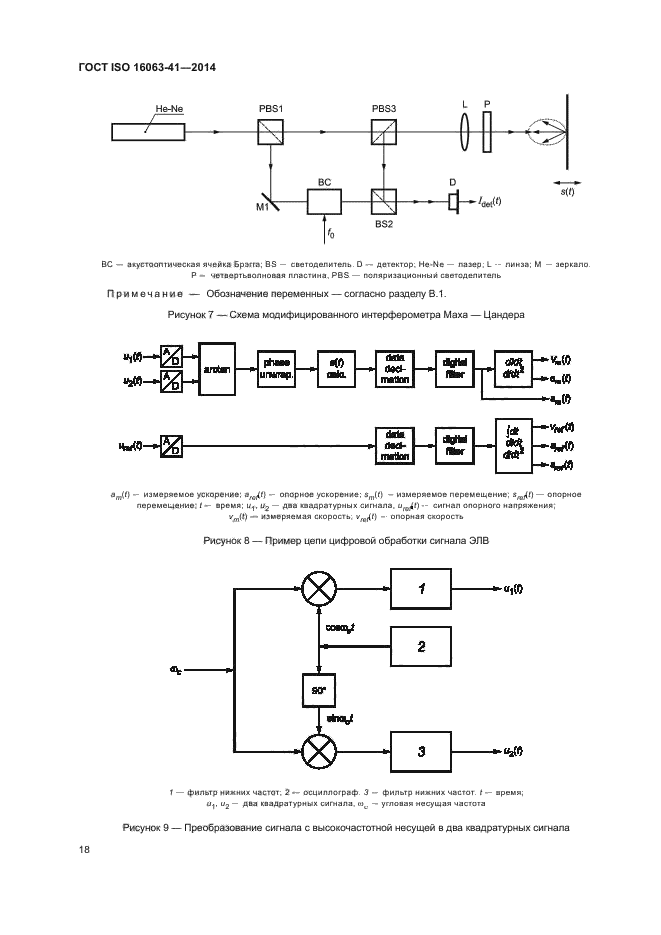
| Область применения: | Настоящий стандарт устанавливает требования к средствам измерений и методам первичной калибровки и калибровки сравнением лазерных виброметров для измерений прямолинейной вибрации в диапазоне частот преимущественно от 0,4 Гц до 50 кГц, включая эталонные лазерные виброметры, предназначенные для калибровки лазерных виброметров или механических преобразователей вибрации. Калибровка сравнением осуществляется с использованием эталонного лазерного виброметра или эталонного преобразователя, калиброванного методом лазерной интерферометрии. Требования к средствам измерений включают в себя требования к эталонным лазерным виброметрам | 
 | 
| Расположен в: | 
  |