| ||||||||||||||||||||||||||||||||||||||
Скачать ГОСТ Р 51045-2014 Рельсы для путей промышленного железнодорожного транспорта. Общие технические условияДата актуализации: 01.06.2025
| ||||||||||||||||||||||||||||||||||||||
| Обозначение: | ![]() ГОСТ Р 51045-2014 |
| Статус: | действующий |
| Название рус.: | Рельсы для путей промышленного железнодорожного транспорта. Общие технические условия |
| Дата актуализации текста: | 01.01.2021 |
| Дата актуализации описания: | 01.07.2023 |
| Дата издания: | 30.03.2015 |
| Дата введения: | 01.07.2015 |
| Код ОКП: | 092100 |
| Взамен: | ГОСТ Р 51045-97 |
| Нормативные ссылки: | ГОСТ Р 8.563-2009; ГОСТ Р ИСО 14284-2009; ГОСТ Р 50542-93; ГОСТ Р 51685-2013; ГОСТ 1497-84; ГОСТ Р 54153-2010; ГОСТ 15.309-98; ГОСТ 2789-73; ГОСТ 3749-77; ГОСТ 7502-98; ГОСТ 7565-81; ГОСТ 8233-56; ГОСТ 9012-59; ГОСТ 9454-78; ГОСТ 10243-75; ГОСТ 17745-90; ГОСТ 18895-97; ГОСТ 21014-88; ГОСТ 22536.1-88; ГОСТ 22536.2-87; ГОСТ 22536.3-88; ГОСТ 22536.4-88; ГОСТ 22536.5-87; ГОСТ 22536.7-88; ГОСТ 22536.8-87; ГОСТ 22536.9-88; ГОСТ 22536.10-88; ГОСТ 22536.11-87; ГОСТ 22536.12-88; ГОСТ 28033-89;СП 37.13330.2012 |
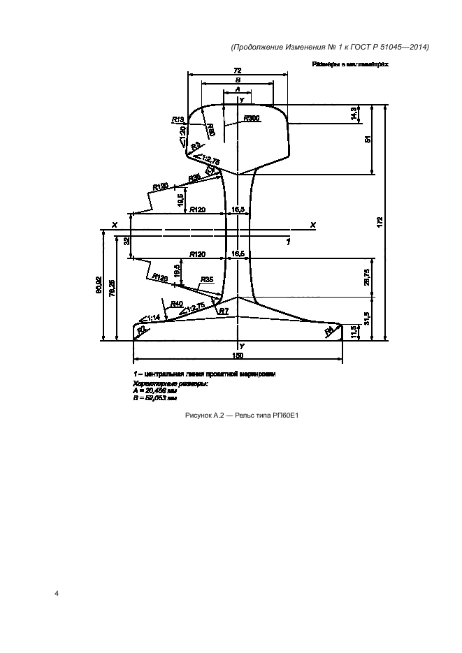
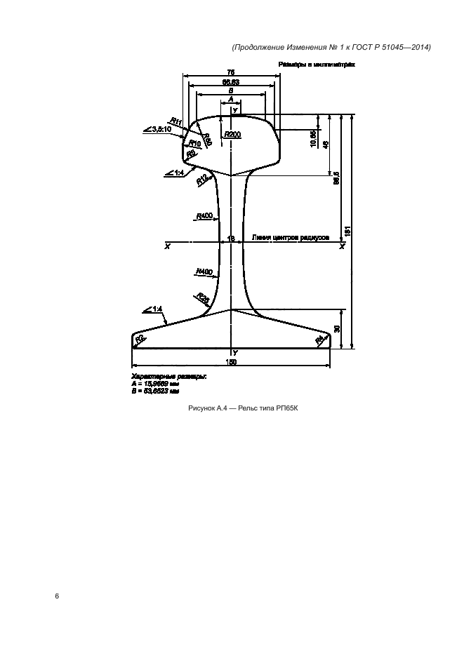
| Область применения: | Настоящий стандарт распространяется на железнодорожные рельсы широкой колеи 1520 и 1524 мм (далее - рельсы), предназначенные для эксплуатации на подъездных и технологических путях необщего пользования железнодорожного промышленного транспорта, а также для изготовления стрелочных переводов |
| Список изменений: | №1 от 01.11.2018 (рег. 20.06.2018) «Срок действия продлен» |
| Приложение №1: | Изменение №1 к ГОСТ Р 51045-2014 |
| Расположен в: | |


































| Обозначение: | Изменение №1 к ГОСТ Р 51045-2014 |
| Дата введения: | 01.11.2018 |






