| Обозначение: |  ГОСТ EN 12177-2013 |
| Статус: | действующий |
| Название рус.: | Нефтепродукты жидкие. Бензин. Определение содержания бензола газохроматографическим методом |
| Дата актуализации текста: | 01.12.2024 |
| Дата актуализации описания: | 01.07.2023 |
| Дата регистрации: | 14.11.2013 |
| Дата издания: | 25.11.2019 |
| Дата введения: | 01.01.2015 |
| Аутентичен стандартам: | EN 12177:1998 |
| Нормативные ссылки: | ISO 3170;ISO 3171;EN ISO 3675;EN ISO 3838;EN ISO 12185 |
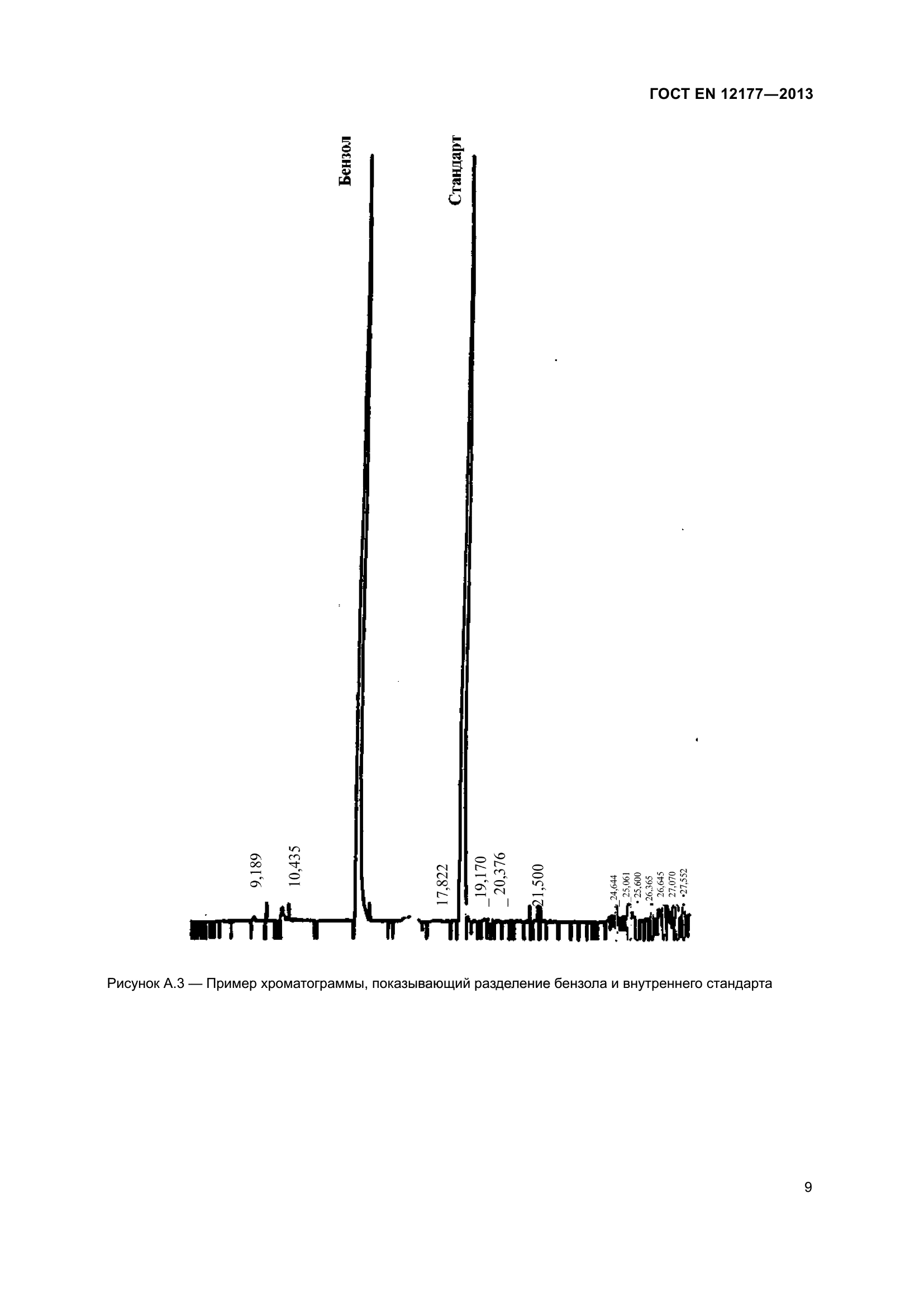
| Область применения: | Настоящий стандарт устанавливает газохроматографический метод с переключением колонок для определения содержания бензола в диапазоне от 0,05 % об. до 6 % об. в неэтилированном бензине с температурой конца кипения не выше 220 °С. Метод можно использовать для определения содержания бензола в бензине, содержащем оксигенаты |
| Приложение №1: | Поправка к ГОСТ EN 12177-2013 |
|
| Расположен в: |
|