| Обозначение: |  ГОСТ Р 55395-2013 |
| Статус: | действующий |
| Название рус.: | Профили прессованные радиусные полосообразного сечения из алюминиевых сплавов. Сортамент |
| Дата актуализации текста: | 01.01.2021 |
| Дата актуализации описания: | 01.01.2021 |
| Дата издания: | 05.06.2014 |
| Дата введения: | 01.06.2014 |
| Код ОКП: | 181141 |
| Нормативные ссылки: | ГОСТ 4784-97 |
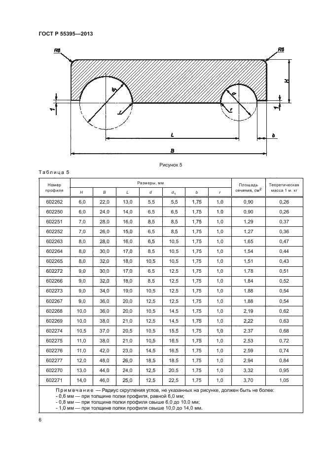
| Область применения: | Настоящий стандарт устанавливает сортамент прессованных радиусных профилей полосообразного сечения из алюминиевых сплавов, изготовляемых методом горячего прессования и предназначенных для колодок хомутов |
|
| Расположен в: |
|