| Обозначение: |  ГОСТ Р 51325.2.3-2013 |
| Статус: | отменён |
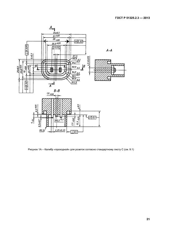
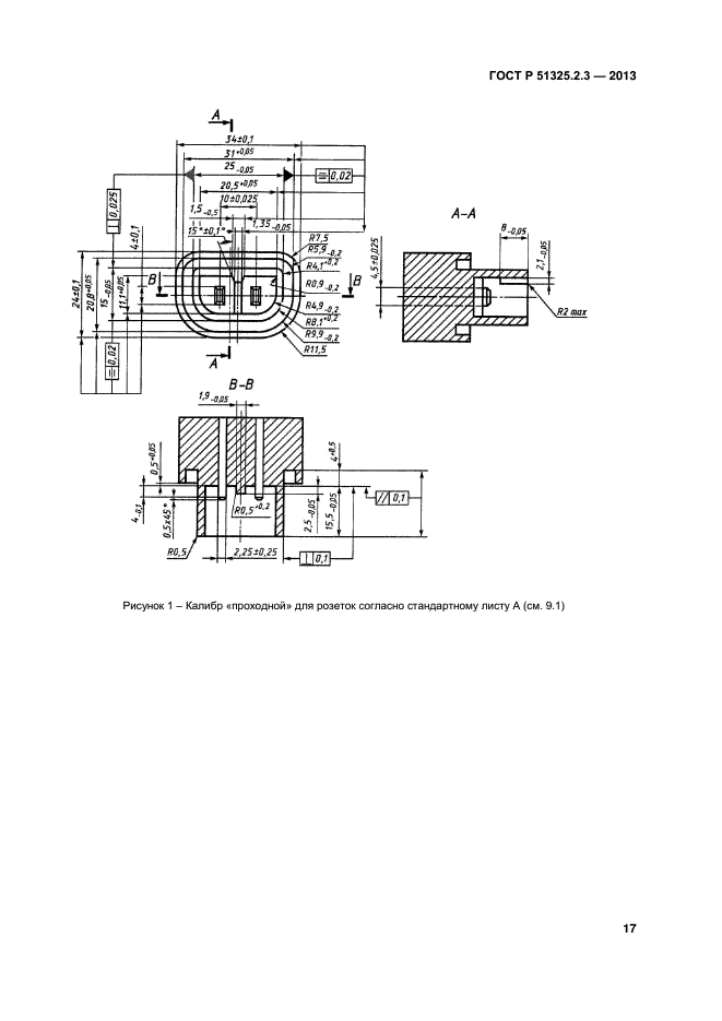
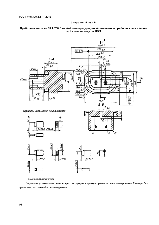
| Название рус.: | Соединители электрические бытового и аналогичного назначения. Часть 2-3. Соединители со степенью защиты свыше IPX0 |
| Дата актуализации текста: | 01.01.2021 |
| Дата актуализации описания: | 01.07.2023 |
| Дата издания: | 01.04.2014 |
| Дата введения: | 01.01.2015 |
| Дата окончания срока действия: | 01.06.2019 |
| Содержит требования: | IEC 60320-2-3(2005) |
| На территории РФ пользоваться: | ГОСТ IEC 60320-2-3-2017 |
| Нормативные ссылки: | ГОСТ 14254–96; ГОСТ 27473–87; ГОСТ 30851.1–2002 |
| Область применения: | Настоящий стандарт распространяется на двухполюсные неразборные соединители (далее – соединители) для холодных условий применения (пониженных температур), со степенью защиты от проникновения воды свыше IPX0, только для применения в сетях переменного тока частотой 50 Гц или 60 Гц номинального напряжения не более 250 В и номинальный ток не более 10 А |
| Список изменений: | №0 от 31.05.2019 (рег. 09.11.2018) «Текстовое изменение; Изменено заглавие» |
|
| Расположен в: |
|