| Обозначение: |  ГОСТ Р ИСО 12164-1-2013 |
| Статус: | действующий |
| Название рус.: | Хвостовики инструментов полые конические (HSK). Типы А и С. Основные размеры |
| Дата актуализации текста: | 06.04.2015 |
| Дата актуализации описания: | 01.07.2023 |
| Дата издания: | 29.05.2020 |
| Дата введения: | 01.07.2014 |
| Код ОКП: | 392800 |
| Взамен: | ГОСТ Р 51547-2000 |
| Аутентичен стандартам: | ISO 12164-1:2001 |
| Нормативные ссылки: | ISO 1101;ISO 2768-1:1989;ISO 3040:1990 |
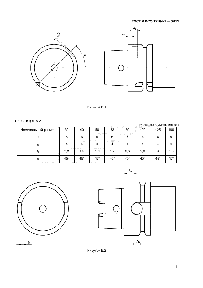
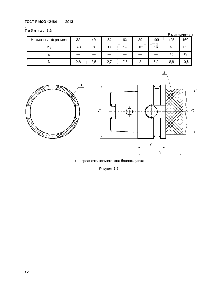
| Область применения: | Настоящий стандарт распространяется на размеры полых конических хвостовиков (HSK) инструментов с прилеганием по плоскости фланца к торцу шпинделя токарных, сверлильных, фрезерных и шлифовальных станков. Настоящий стандарт распространяется на два типа хвостовиков. Тип А содержит проточенный паз на фланце для автоматической смены инструмента. Инструменты также могут быть заменены вручную. Тип С не содержит проточенный паз на фланце и может быть применен только для ручной смены инструмента. Ручную смену инструмента в обоих типах осуществляют через отверстие в конической части хвостовика. Крутящий момент передается посредством торцовой шпонки на конце хвостовика, а также - силой трения |
|
| Расположен в: |
|