| Обозначение: |  ГОСТ Р ИСО 12164-2-2013 |
| Статус: | действующий |
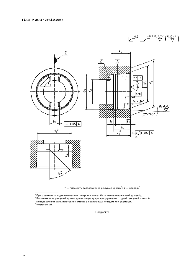
| Название рус.: | Крепление инструментов с полым коническим хвостовиком (HSK) типов А и С. Присоединительные размеры |
| Дата актуализации текста: | 06.04.2015 |
| Дата актуализации описания: | 01.07.2023 |
| Дата издания: | 28.04.2020 |
| Дата введения: | 01.07.2014 |
| Код ОКП: | 392800 |
| Взамен: | ГОСТ Р 51726-2001 |
| Аутентичен стандартам: | ISO 12164-2:2001 |
| Нормативные ссылки: | ISO 1101;ISO 2768-1:1989;ISO 3040:2016;ISO 12164-1 |
| Область применения: | Настоящий стандарт распространяется на присоединительные размеры посадочного гнезда для крепления инструментов с полым коническим хвостовиком (HSK) с прилеганием по плоскости фланца к торцу шпинделя токарных, сверлильных, фрезерных и шлифовальных станков. Настоящий стандарт распространяется на два типа посадочного гнезда: тип А - для автоматической смены инструмента и тип С - для ручной смены инструмента. Ручную смену инструмента осуществляют через отверстия в посадочных гнездах обоих типов и хвостовике инструмента. Крутящий момент передается посредством торцовой шпонки на конце хвостовика, а также - силой трения |
|
| Расположен в: |
|