| ||||||||||||||||||||||||||
Скачать ГОСТ Р 55141-2012 Переработка попутного нефтяного газа. Малогабаритные блочные газоперерабатывающие комплексы. Общие техничесие требованияДата актуализации: 01.06.2025
| ||||||||||||||||||||||||||
| Обозначение: | ![]() ГОСТ Р 55141-2012 |
| Статус: | действующий |
| Название рус.: | Переработка попутного нефтяного газа. Малогабаритные блочные газоперерабатывающие комплексы. Общие техничесие требования |
| Дата актуализации текста: | 01.01.2021 |
| Дата актуализации описания: | 01.07.2023 |
| Дата издания: | 25.11.2019 |
| Дата введения: | 01.01.2014 |
| Нормативные ссылки: | ГОСТ 2.113; ГОСТ 2.305; ГОСТ 2.603; ГОСТ 3.1001; ГОСТ 3.1120; ГОСТ 3.1121; ГОСТ 3.1129; ГОСТ 3.1901; ГОСТ 9.908; ГОСТ 12.1.005; ГОСТ 12.1.007; ГОСТ 12.1.010; ГОСТ 12.1.018; ГОСТ 12.2.003; ГОСТ 12.2.049; ГОСТ 14192; ГОСТ 17.1.3.06; ГОСТ 17.2.3.02; ГОСТ 17.4.1.02; ГОСТ 22387.5; ГОСТ 23170; ГОСТ 24.104; ГОСТ Р 2.901; ГОСТ Р 15.301; ГОСТ Р 51672; ГОСТ Р 54973 |
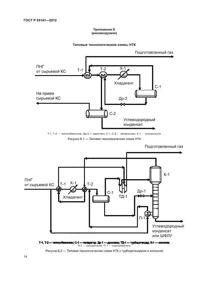
| Область применения: | Настоящий стандарт распространяется на малогабаритные блочные газоперерабатывающие комплексы с законченными технологическими связями. В состав комплекса входят процесс-блоки, включающие модули. Производительность малогабаритного блочного газоперерабатывающего комплекса составляет не более 250 млн нм куб. в год. Настоящий стандарт устанавливает требования к проектированию, разработке, изготовлению, поставке и приемке комплексов и входящих в них блоков |
| Расположен в: | |


















