| Обозначение: |  ГОСТ Р 55405-2013 |
| Статус: | действующий |
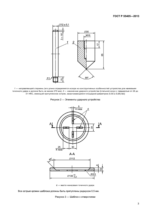
| Название рус.: | Материалы рулонные битумно-полимерные для гидроизоляции мостовых сооружений. Метод определения водонепроницаемости после удара |
| Дата актуализации текста: | 01.01.2021 |
| Дата актуализации описания: | 01.07.2023 |
| Дата издания: | 20.10.2019 |
| Дата введения: | 01.06.2013 |
| Код ОКП: | 571000 |
| Нормативные ссылки: | ГОСТ Р 12.1.019; ГОСТ Р 12.4.246; ГОСТ Р 55396; ГОСТ Р 55397; ГОСТ Р ЕН 1928 ; ГОСТ Р ЕН 13416; ГОСТ 12.4.131; ГОСТ 12.4.132 |
| Область применения: | Настоящий стандарт распространяется на материалы рулонные битумно-полимерные, применяемые при гидроизоляции мостовых сооружений, и устанавливает метод определения водонепроницаемости рулонного битумно-полимерного материала после удара (точечного воздействия на материал) |
|
| Расположен в: |
|