| Обозначение: |  ГОСТ Р 54820-2011 |
| Статус: | действующий |
| Название рус.: | Котлы отопительные. Правила испытаний котлов с дутьевыми горелками на жидком топливе |
| Название англ.: | Heating boilers. Test code for heating boilers for atomizing oil burners |
| Дата актуализации текста: | 06.04.2015 |
| Дата актуализации описания: | 01.07.2023 |
| Дата издания: | 10.04.2013 |
| Дата введения: | 01.01.2013 |
| Код ОКП: | 493120 |
| Содержит требования: | EN 304:1992 |
| Нормативные ссылки: | ГОСТ Р 54440-2001; ГОСТ Р 54441-2001; ГОСТ 28091-89 |
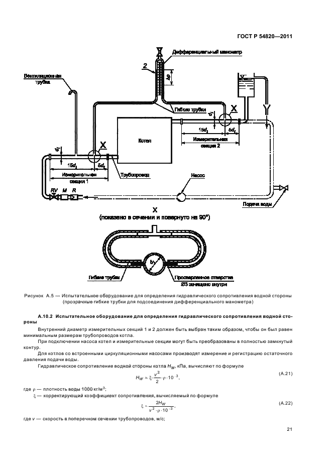
| Область применения: | Правила испытаний применяются при определении тепловых характеристик отопительных котлов на жидком топливе и комбинированных котлов с водонагревателями. Требования к ним содержатся в ГОСТ Р 54440 и ГОСТ Р 54441. Настоящий стандарт рассматривает или описывает требования и рекомендации по выполнению и оценке методик испытаний котлов, а также подробные сведения о технических условиях, при которых испытания должны проводиться |
|
| Расположен в: |
|