| Обозначение: |    ГОСТ EN 12957-2011 | 
| Статус: | заменён | 
| Название рус.: | Безопасность металлообрабатывающих станков. Станки электроэрозионные | 
| Название англ.: | Safety of metal-working machine tools. Electro-discharge machines | 
| Дата актуализации текста: | 06.04.2015 | 
| Дата актуализации описания: | 01.07.2023 | 
| Дата регистрации: | 29.11.2011 | 
| Дата издания: | 11.08.2014 | 
| Дата введения: | 01.01.2013 | 
| Дата окончания срока действия: | 01.07.2018 | 
| Заменяющий: | ГОСТ ISO 28881-2016 | 
| Аутентичен стандартам: | EN 12957:2001 | 
| Нормативные ссылки: | EN 2:1992;EN 54-1:2011;EN ISO 12100-1:2004;EN ISO 12100-2:2004;EN ISO 13857:2008;EN 349:2008;EN ISO 13850:2008;EN 626-1:1994+А1:2008;EN ISO 10218-1:2012;EN 953:2009;EN ISO 13849-1:2008;EN ISO 4413:2011;EN ISO 4414:2011;EN ISO 13855:2010;EN 1037:2008;EN ISO 12100:2011;EN 1088:2008;EN ISO 14122-1:2002;EN ISO 14122-2:2002;EN ISO 14122-3:2002;EN ISO 14122-4:2010;EN 55011:2009+А1:2010;EN 60204-1:2006+А1:2009;EN 60529:1992;EN 61558-1:2005+А1:2009;EN 61000-6-2:2005;EN 61310-1:2008;EN 61310-2:2008;EN ISO 3746:2011;EN ISO 4871:2009;EN ISO 11202:2010;EN ISO 11688-1:2009 | 
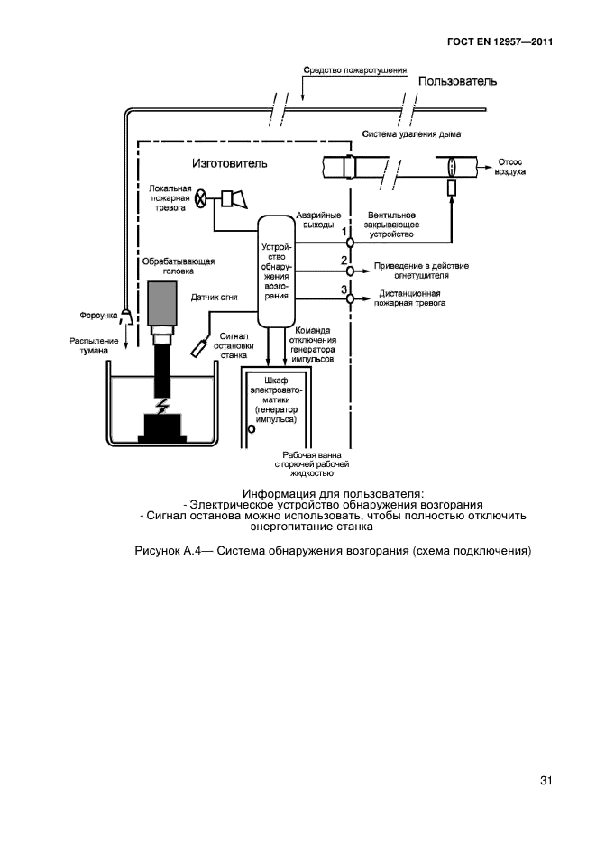
| Область применения: | Настоящий стандарт устанавливает требования безопасности и определяет защитные меры, которые должны быть предприняты лицами, осуществляющими проектирование, изготовление и поставку (включая монтаж/демонтаж, транспортировку и техническое обслуживание) электроэрозионного оборудования и электроэрозионных систем (например, для электроэрозионной прошивки, электроэрозионной вырезки). В настоящем стандарте также приведена информация, которую изготовитель должен предоставить в распоряжение пользователя. Требования настоящего стандарта не распространяются на оборудование для электроконтактной и электрохимической обработок. Настоящий стандарт применяется к станкам, изготовленным после даты его публикации | 
 | 
| Расположен в: | 
  |