| Обозначение: |    ГОСТ Р МЭК 62560-2011 | 
| Статус: | действующий | 
| Название рус.: | Лампы светодиодные со встроенным устройством управления для общего освещения на напряжения свыше 50 В. Требования безопасности | 
| Название англ.: | Self-ballasted LED-lamps for general lighting services by voltage 50 V. Safety specifications | 
| Дата актуализации текста: | 06.04.2015 | 
| Дата актуализации описания: | 01.07.2023 | 
| Дата издания: | 25.10.2012 | 
| Дата введения: | 01.07.2012 | 
| Код ОКП: | 346000 | 
| Аутентичен стандартам: | IEC 62560(2011) | 
| Нормативные ссылки: | ISO 4046-4:2002;IEC 60061-1;IEC 60061-3;IEC 60360;IEC 60432-1;IEC 60529(1989);IEC 60598-1(2008);IEC 60695-2-10(2000);IEC 60695-2-11(2000);IEC 60695-2-12(2000);IEC 60695-2-13(2000);IEC 61199(1999);IEC 61347-1(2007);IEC 62031(2008);IEC/TR 62471-2;IEC/TS 62504(2011) | 
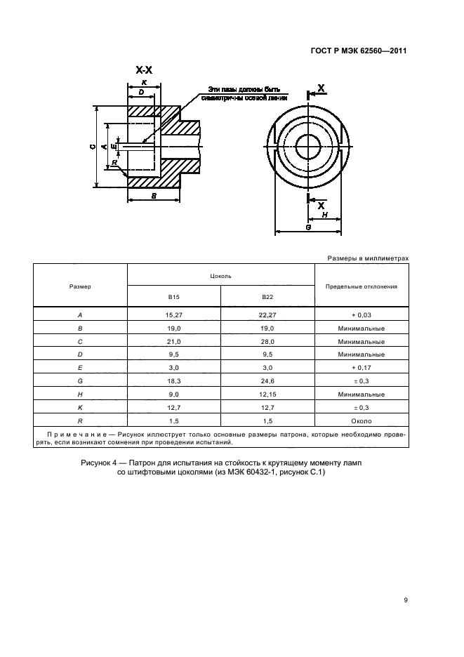
| Область применения: | Настоящий стандарт устанавливает требования безопасности и взаимозаменяемости, а также требования к методам испытаний и условиям их проведения, необходимые для светодиодных ламп с неразъемными средствами для стабильной работы (светодиодные лампы со встроенными устройствами управления), и предназначенных для бытового и аналогичного общего освещения, имеющих: - номинальную мощность до 60 Вт; - номинальное напряжение от 5 до 250 В; - цоколи в соответствии с таблицей 1. Требования настоящего стандарта относятся только к испытаниям типа | 
 | 
| Расположен в: | 
  |