| Обозначение: |  ГОСТ Р ИСО 12164-3-2011 |
| Статус: | действующий |
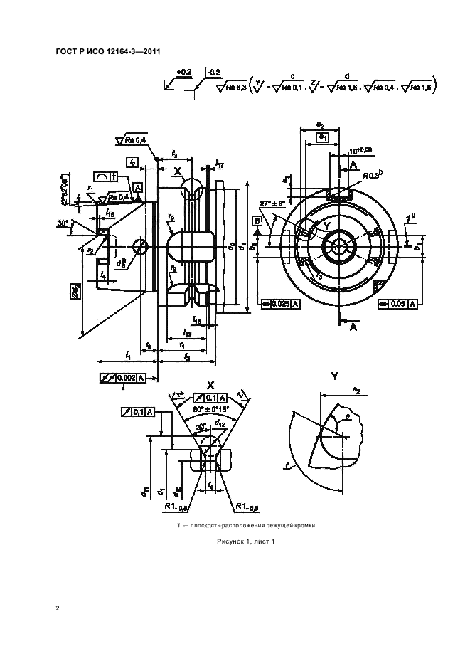
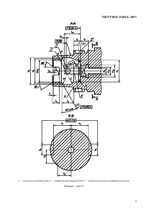
| Название рус.: | Хвостовики инструментов полые конические (HSK). Тип Т. Основные размеры |
| Название англ.: | Hollow taper shank of tools (HSK). Types T. Basic dimensions |
| Дата актуализации текста: | 06.04.2015 |
| Дата актуализации описания: | 01.07.2023 |
| Дата издания: | 28.04.2020 |
| Дата введения: | 01.01.2013 |
| Код ОКП: | 392800 |
| Аутентичен стандартам: | ISO 12164-3:2008 |
| Нормативные ссылки: | ISO 1101;ISO 2768-1;ISO 3040 |
| Область применения: | Настоящий стандарт распространяется на размеры полых конических хвостовиков (HSK) с прилеганием по плоскости к торцу шпинделя токарных и обрабатывающих (фрезерно-расточных) центров. Настоящий стандарт распространяется на хвостовики типа Т для автоматической смены инструмента через паз на фланце. Инструмент также может быть заменен вручную через отверстие в конической части хвостовика. Крутящий момент передается посредством торцовой шпонки на конце хвостовика, а также - силой трения |
|
| Расположен в: |
|