| Обозначение: |  ГОСТ Р 54749-2011 |
| Статус: | отменён |
| Название рус.: | Устройство сцепное и автосцепное железнодорожного подвижного состава. Технические требования и правила приемки |
| Название англ.: | Coupler and automatic coupler device of railway rolling stock. Technical requirements and acceptance rules |
| Дата актуализации текста: | 06.04.2015 |
| Дата актуализации описания: | 01.07.2023 |
| Дата издания: | 18.05.2012 |
| Дата введения: | 01.07.2012 |
| Дата окончания срока действия: | 01.09.2016 |
| Код ОКП: | 318382 |
| На территории РФ пользоваться: | ГОСТ 33434-2015 |
| Нормативные ссылки: | ГОСТ Р 52916-2008; ГОСТ 15.309-98; ГОСТ 3475-81; ГОСТ 4543-71; ГОСТ 15150-69; ГОСТ 18321-73; ГОСТ 19433-88; ГОСТ 21447-75; ГОСТ 22703-91 |
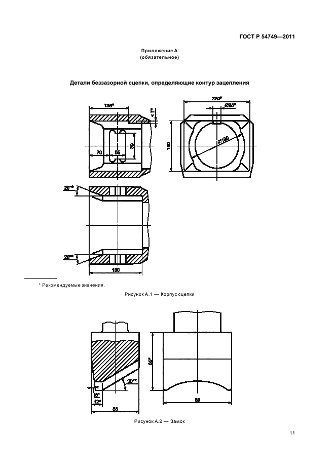
| Область применения: | Настоящий стандарт распространяется на сцепные и автосцепные устройства железнодорожного подвижного состава, предназначенного для эксплуатации на железных дорогах колеи 1520 мм, и устанавливает технические требования и правила приемки. Стандарт не распространяется на автосцепные устройства грузовых вагонов промышленного транспорта, если они не имеют права эксплуатации на железнодорожных путях общего пользования |
| Список изменений: | №0 от 31.08.2016 (рег. 04.12.2015) «Текстовое изменение; Изменено заглавие» |
|
| Расположен в: |
|