| Обозначение: |  ГОСТ Р 54443-2011 |
| Статус: | действующий |
| Название рус.: | Сорбенты йодные для атомных электростанций. Метод определения индекса сорбционной способности |
| Название англ.: | Sorbents for trapping radioiodine at nuclear power stations. Method for determination of sorption capacity index |
| Дата актуализации текста: | 01.01.2021 |
| Дата актуализации описания: | 01.07.2023 |
| Дата издания: | 26.03.2019 |
| Дата введения: | 01.01.2012 |
| Нормативные ссылки: | ГОСТ Р 53228; ГОСТ 8.529-85; ГОСТ 12.1.004; ГОСТ 12.3.008; ГОСТ 12.4.011; ГОСТ 1770; ГОСТ 16187; ГОСТ 16190; ГОСТ 25416; ГОСТ 25336 |
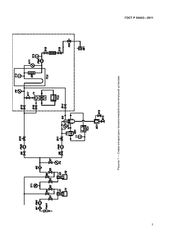
| Область применения: | Настоящий стандарт распространяется на гранулированные и дробленые иодные сорбенты, применяемые для очистки газообразных радиоактивных отходов от радиоиода и его соединений на атомных электростанциях. Настоящий стандарт устанавливает метод и условия испытания сорбентов в лабораторных установках. Настоящий стандарт распространяется на сорбенты, предназначенные для применения в системах, важных для безопасности атомных электростанций |
| Список изменений: | №0 от 04.09.2012 (рег. 04.09.2012) «Дата введения перенесена» |
| Приложение №1: | Поправка к ГОСТ Р 54443-2011 |
|
| Расположен в: |
|